EasyManua.ls Logo

Homelite HL2500 - Product Information; Part Identification; Wiring Diagram

Homelite HL2500
12 pages
Print Icon
To Next Page IconTo Next Page
To Next Page IconTo Next Page
To Previous Page IconTo Previous Page
To Previous Page IconTo Previous Page
Loading...
5
* For Engine replacement parts locate the engine brand name, model number, and type number and consult the
appropriate dealer in your area.
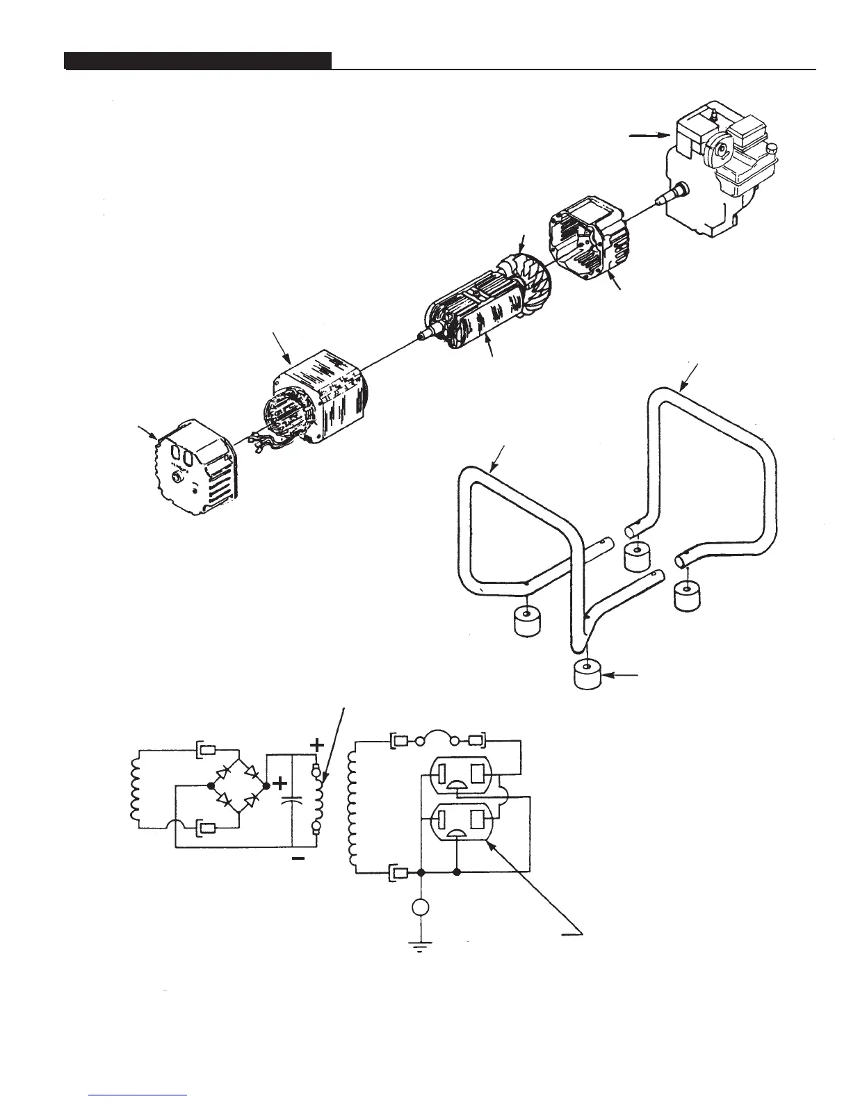
NO. PART NO. DESCRIPTION
A. A 02439 A BRUSH HEAD 1
B. A 02797 BS STATOR 1
C. A 02800 AS ROTOR 1
D. A 04013 FAN- Generator 1
E. 02026 9 BELL- End 1
F. 07420 1 MEMBER- Frame (gen. end) 1
G. 07421 1 MEMBER- Frame (eng. end) 1
H. 48789 FOOT 4
I. * ENGINE
PRODUCT INFORMATION
RECEPTACLE 120V
(U.S.A.) NEMA 5-15R
(CANADA) NEMA 5-
20R
GROUND
BLACK
GREEN
BLACK
CB-20A
BLACK
RED
YELLOW
YELLOW
QUAD
COIL
WHITE
WHITE
MAIN
COIL
120V
FIELD COIL
B
A
I
E
C
F
G
H
D

Related product manuals