EasyManua.ls Logo

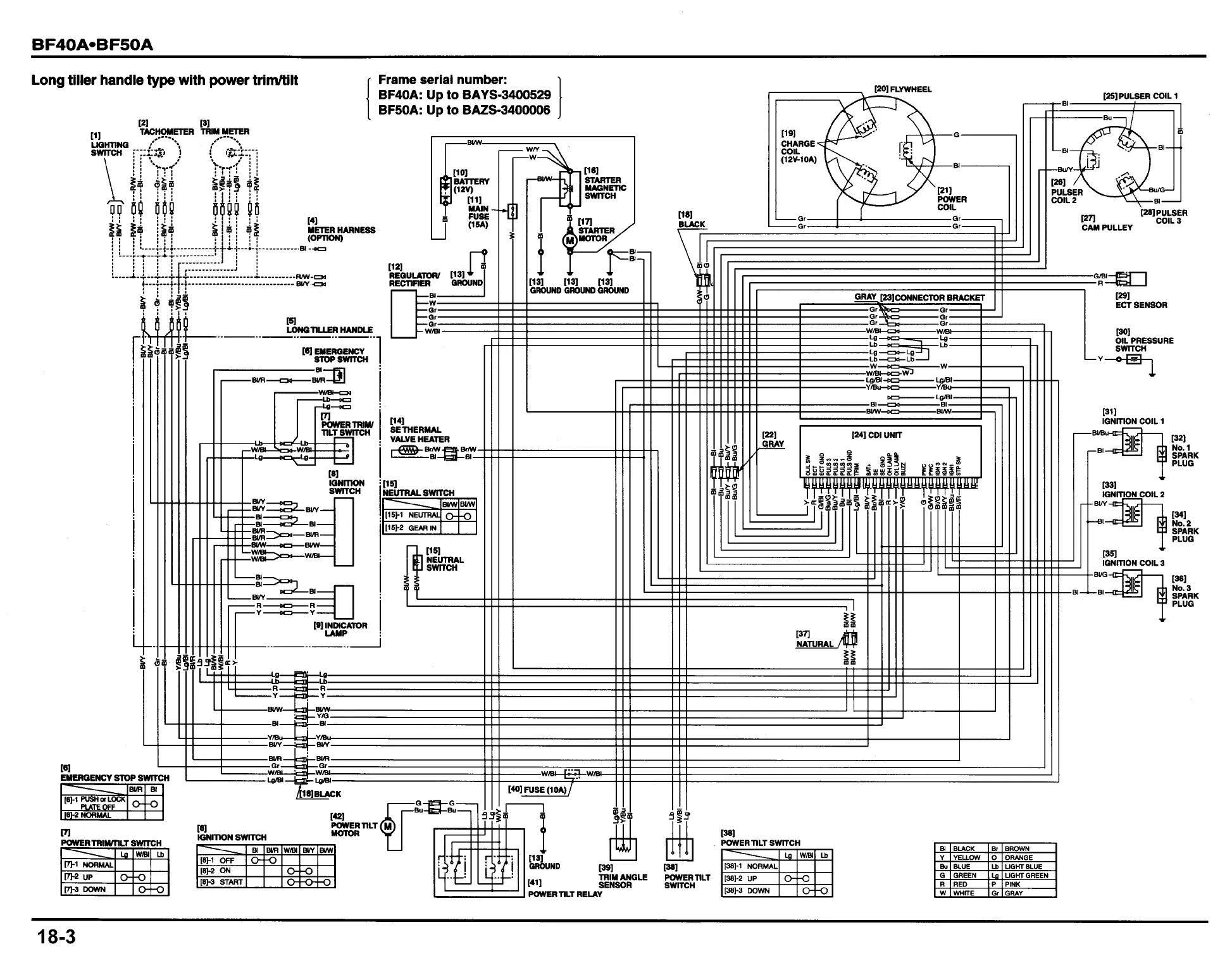
Honda BF35A - Long tiller handle power trim

Honda BF35A
431 pages
Print Icon
To Next Page IconTo Next Page
To Next Page IconTo Next Page
To Previous Page IconTo Previous Page
To Previous Page IconTo Previous Page
Loading...

Related product manuals