EasyManua.ls Logo

Honda EB12D - Wiring Diagram

Honda EB12D
68 pages
Print Icon
To Next Page IconTo Next Page
To Next Page IconTo Next Page
To Previous Page IconTo Previous Page
To Previous Page IconTo Previous Page
Loading...
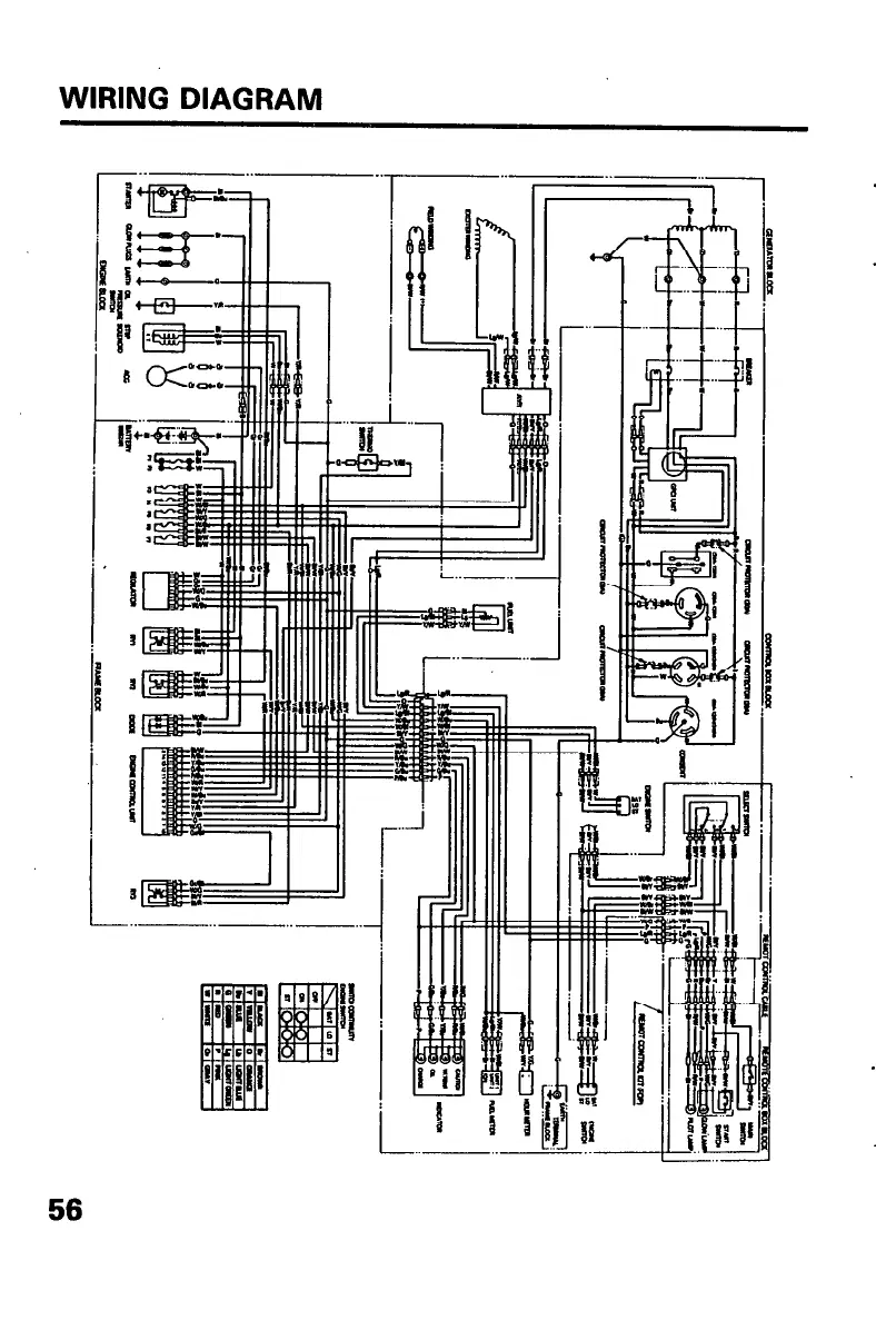
WIRING DIAGRAM
-..
.
.
-0
-I
a$p----+l-ll I I
Ir
+
56

Related product manuals