EasyManua.ls Logo

Honda EB2000i - Wiring Diagram

Honda EB2000i
92 pages
Print Icon
To Next Page IconTo Next Page
To Next Page IconTo Next Page
To Previous Page IconTo Previous Page
To Previous Page IconTo Previous Page
Loading...
65
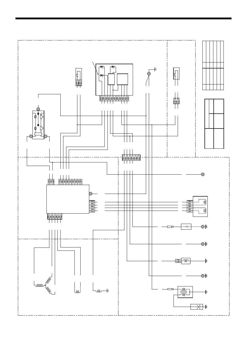
TECHNICAL INFORMATION
Wiring Diagram
R
W
R/W
R/Y
G/R
G/Bl
R
G
W
Y
Bu
W
R
Bu
Gr
P
R
Gr
Bl/Bu
P
W
Bu
Bl
G
W
G
Y
Bu
W
R
Y
Bu
Bu
Bl/Bu
G
Y
Bu
Bl/Bu
G
Y
G
Bl
G
Bl
R/Y
R/W
G
R
W
G
Y
Bl
Bl/Bu
G/Bl
G/R
R/W
G
G
Bu
CONTROL PANEL BLOCK
FRAME BLOCK
ENGINE BLOCK
SUB
WINDING
EXCITER
WINDING
GENERATOR BLOCK
OFFON
OFF
Switch position
ON
COLOR COMB:GROUND/MARKING
Bl BLACK Br BROWN
Y YELLOW O ORANGE
Bu BLUE Lb LIGHT BLUE
G GREEN Lg LIGHT GREEN
R RED P PINK
W WHITE Gr GRAY
INVERTER
UNIT
INVERTER BLOCK
MAIN
WINDING
SPARK
PLUG
IGNITION
COIL
ENGINE
GROUND
GROUNDENGINE
GROUND
PULSER
COIL
OIL
LEVEL
SWITCH
THROTTLE
CONTROL
MOTOR
ENGINE STOP
SWITCH
ECO-THROTTLE
SWITCH
ECO-
THROTTLE
OVERLOAD
INIDICATOR
AC RECEPTACLES
OUTPUT
INIDICATOR
OIL ALERT
INIDICATOR
GROUND
TERMINAL
GFCI
31Z398000.book 65 ージ 013年8月1日 木曜日 午後4時36

Table of Contents

Related product manuals