EasyManua.ls Logo

Honeywell 7800 SERIES

Honeywell 7800 SERIES
16 pages
To Next Page IconTo Next Page
To Next Page IconTo Next Page
To Previous Page IconTo Previous Page
To Previous Page IconTo Previous Page
Loading...
66-10853
4
RM7800E,G,L,M; RM7840E,G,L,M 7800 SERIES RELAY MODULES
บรษัท เอดีดี เฟอรเนส จํากัด
ADD FURNACE CO.,LTD.
44 ซอยบรมราชชนน 70 ถนนบรมราชชนน แขวงศาลาธรรมสพน์ เขตทวีวฒนา กรงเทพฯ 10170
โทร: 02-888-3472 โทร: ออกแบบ:08-08-170-170 แฟกซ์: 02-888-3258
https://www.add-furnace.com E-mail: sales@add-furnace.com
L1
(HOT) L2
1
4
L2
120 Vac,
50/60 Hz
RUN/TEST
SWITCH
RESET
PUSHBUTTON
STATUS LEDs
MICROCOMPUTER
2K
3K
4K
5K
6K
7K
8K
9K
1K
FLAME SIGNAL
TEST
TEST
JACK
F
G
22
POWER SUPPLY
CONTROL
POWER
20
PRE-IGNITION
INTERLOCK
LIMITS CONTROLLER
RUNNING/
LOCKOUT
INTERLOCK
6
7
1K1
2K1 5K1
10
6K1
3K1
KEYBOARD
LOW FIRE SWITCH
18
HIGH FIRE SWITCH
19
HIGH FIRE
4K1
8
7K1
21
2K2
9
5
3
12
DDL
DISPLAY MODULE
RS485
1
8K1
8K2
COMMON
13
MODULATE
9K1
15
INDICATES FEEDBACK SENSING
OF RELAY CONTACT STATUS
AND LINE VOLT INPUTS
DDL
COMMUNICATIONS
2
3
REMOTE
RESET
9K2
LOW FIRE
FIELD WIRING
14
INTERNAL WIRING
PROVIDE DISCONNECT MEANS AND OVERLOAD PROTECTION AS REQUIRED.
M12258
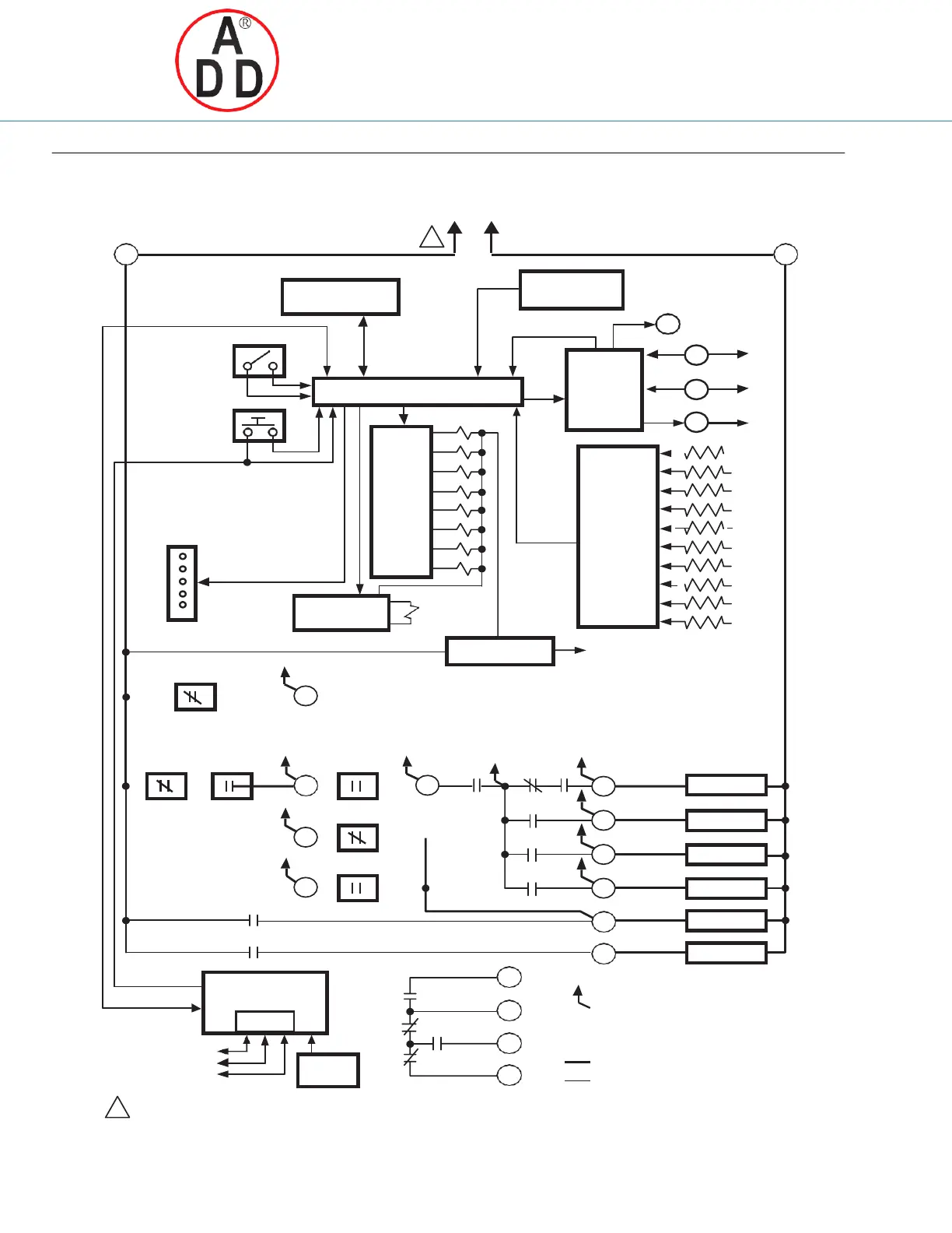
Fig. 1. Internal block diagram of the RM7800LIRM7840L (See Fig. 2, 3, 4 or 5
for individual detailed wiring instructions).
1
CONFIGURATION
JUMPERS
RELAY
DRIVE
CIRCUIT
PLUG-IN PURGE
TIMER CARD
SAFETY RELAY
CIRCUIT
PLUG-IN
FLAME
AMPLIFIER
RELAY
STATUS
FEEDBACK
AND LINE
VOLTAGE
INPUTS
IGNITION
PILOT
PILOT/V2
MAIN VALVE
BLOWER
ALARM

Other manuals for Honeywell 7800 SERIES

Related product manuals