EasyManua.ls Logo

Honeywell BENDIX/KING KCS55 - Kcs 55;55 A Mitchell Century IV Autopilot Interface

Honeywell BENDIX/KING KCS55
88 pages
Print Icon
To Next Page IconTo Next Page
To Next Page IconTo Next Page
To Previous Page IconTo Previous Page
To Previous Page IconTo Previous Page
Loading...
BENDIX/KING KCS 55/55A
Page 2-50
©Honeywell International Inc. Do not print without express permission of Honeywell Rev 11, Apr/2007
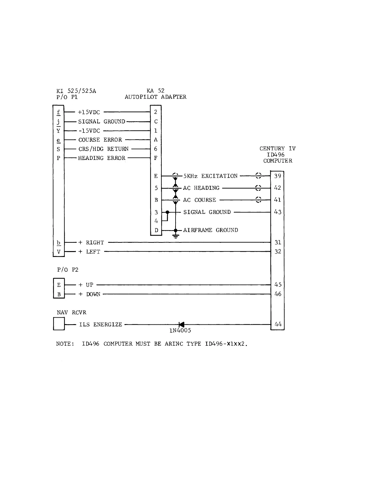
FIGURE 2-25 KCS 55/55A MITCHELL CENTURY IV AUTOPILOT INTERFACE
INTERCONNECT
(Dwg. No. 155-01191-0000, R-1)
RELEASED FOR THE EXCLUSIVE USE BY: AIRCRAFT ELECTRONICS ASSOCIATION
UP536434

Table of Contents