EasyManua.ls Logo

Honeywell CHRONOTHERM III T8611G - Page 4

Honeywell CHRONOTHERM III T8611G
8 pages
Print Icon
To Next Page IconTo Next Page
To Next Page IconTo Next Page
To Previous Page IconTo Previous Page
To Previous Page IconTo Previous Page
Loading...
4
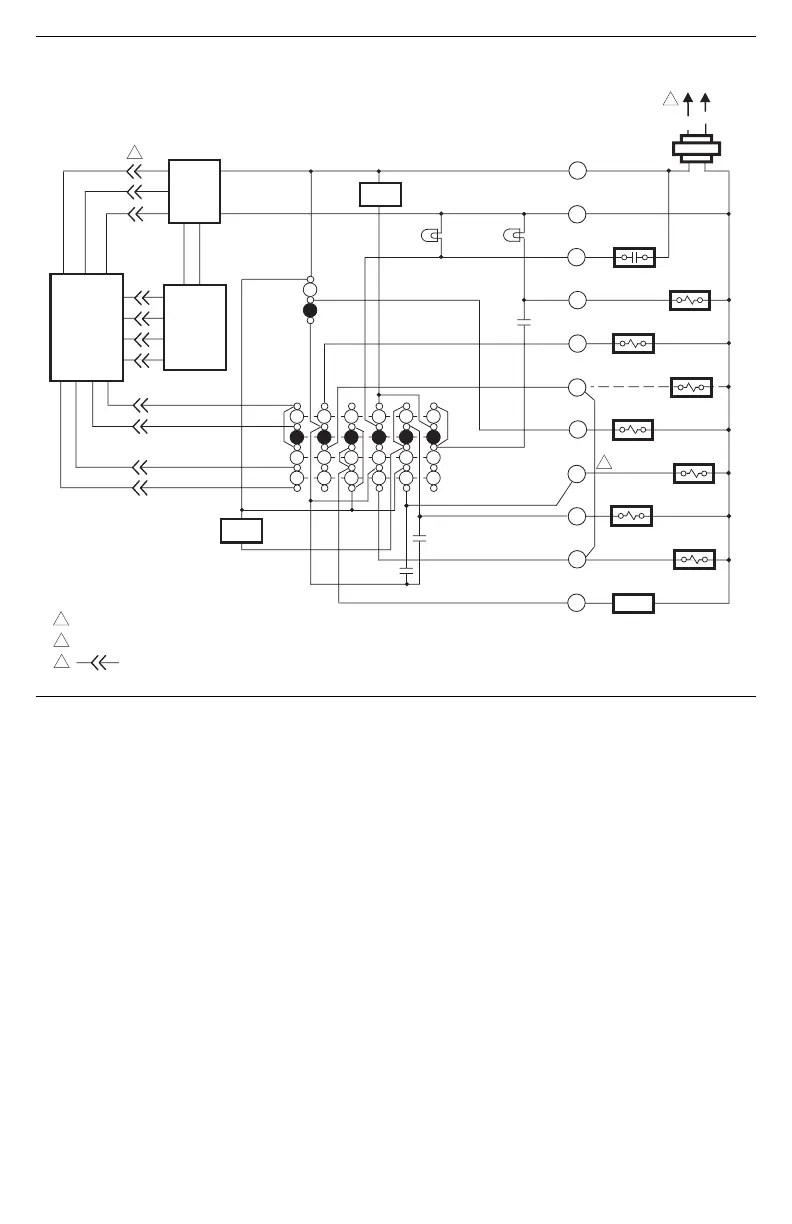
Fig. 5—T8611R 2-stage heat/1-stage cool thermostat.
M 6019
MONITOR
AUXILIARY
HEAT RELAY
HEAT 2
L1
(HOT)
L2
HEAT
OFF
COOL
SYSTEM
SWITCH
AUTO
ON
FAN
SWITCH
1
STAGE 1
HEAT RELAY
EMERGENCY
HEAT RELAY
FAN RELAY
CHANGEOVER
RELAY (HEAT)
COMPRESSOR
CONTACTOR
DEFROST
CONTROL
EM. HT.
COOL
CHANGEOVER
RELAY (COOL)
AUX. HEAT
LED (GRN)
EM. HEAT
LED (RED)
HEAT 1
THERMOSTAT
LOGIC
CIRCUIT
POWER SUPPLY. PROVIDE DISCONNECT MEANS AND OVERLOAD PROTECTION AS REQUIRED.
REMOVE JUMPER FOR SYSTEM WITH ISOLATED STAGE 1 HEATING AND COOLING CONNECTIONS.
DENOTES THERMOSTAT TO SUBBASE INTERCONNECT.
SUBBASE
LOGIC/
CONTROL
CIRCUIT
R
C/X
L
W2
E
W1
G
O
B
Y1
POWER
SUPPLY
HIGH
LIMIT
HIGH
LIMIT
P
2
3
1
2
3

Related product manuals