EasyManua.ls Logo

Honeywell CHRONOTHERM III T8611G - Wiring and Powering

Honeywell CHRONOTHERM III T8611G
8 pages
Print Icon
To Next Page IconTo Next Page
To Next Page IconTo Next Page
To Previous Page IconTo Previous Page
To Previous Page IconTo Previous Page
Loading...
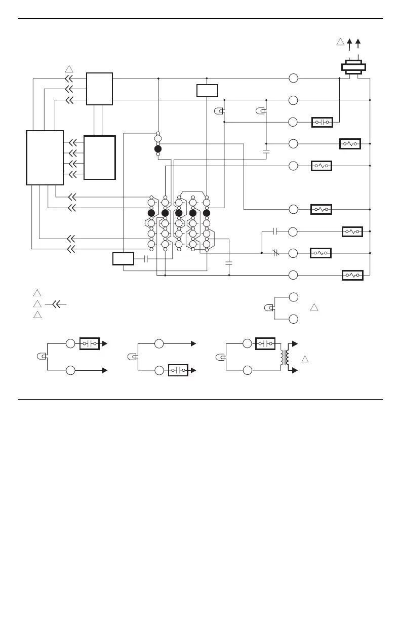
Fig. 4—T8611G 2-stage heat/1-stage cool thermostat.
POWER SUPPLY. PROVIDE DISCONNECT MEANS AND OVERLOAD PROTECTION AS REQUIRED.
DENOTES THERMOSTAT TO SUBBASE INTERCONNECT.
POSSIBLE CHECK LED CIRCUITS:
M 6020
MONITOR
AUXILIARY
HEAT RELAY
HEAT 2
L1
(HOT)
L2
HEAT
OFF
AUTO
SYSTEM
SWITCH
AUTO
ON
FAN
SWITCH
1
EMERGENCY
HEAT RELAY
FAN RELAY
CHANGEOVER
RELAY (HEAT)
COMPRESSOR
CONTACTOR
EM. HT.
CHANGEOVER
RELAY (COOL)
AUX. HEAT
LED (GRN)
EM. HEAT
LED (RED)
HEAT 1
THERMOSTAT
LOGIC
CIRCUIT
SUBBASE
LOGIC/
CONTROL
CIRCUIT
R
C/X
L
W2
E
X2
G
O
B
Y
POWER
SUPPLY
HIGH
LIMIT
HIGH
LIMIT
X1
2
1
2
3
COOL
C.O.
C.O.
COOL
CHECK LED
(YELLOW)
CHECK
LED
(YELLOW)
FAULT DETECTION
SWITCH
SWITCH TO R (POWER) SIDE OF
SYSTEM TRANSFORMER
TO R
TO C/X
CHECK
LED
(YELLOW)
FAULT DETECTION
SWITCH
SWITCH TO C (COMMON) SIDE
OF SYSTEM TRANSFORMER
TO R
TO C/X
CHECK
LED
(YELLOW)
SWITCHING
DEVICE
SWITCH IN SECONDARY OF
SEPARATE TRANSFORMER
L1
(HOT)
L2
24 Vac
1
X1
X2
X1
X2
X1
X2
3
369-0348—1

Related product manuals