EasyManua.ls Logo

Honeywell R4184D - Page 5

Honeywell R4184D
6 pages
Print Icon
To Next Page IconTo Next Page
To Next Page IconTo Next Page
To Previous Page IconTo Previous Page
To Previous Page IconTo Previous Page
Loading...
69-0618—3
5
R4184D; R8184G,M,N,P Protectorelay
®
OIL PRIMARY CONTROLS
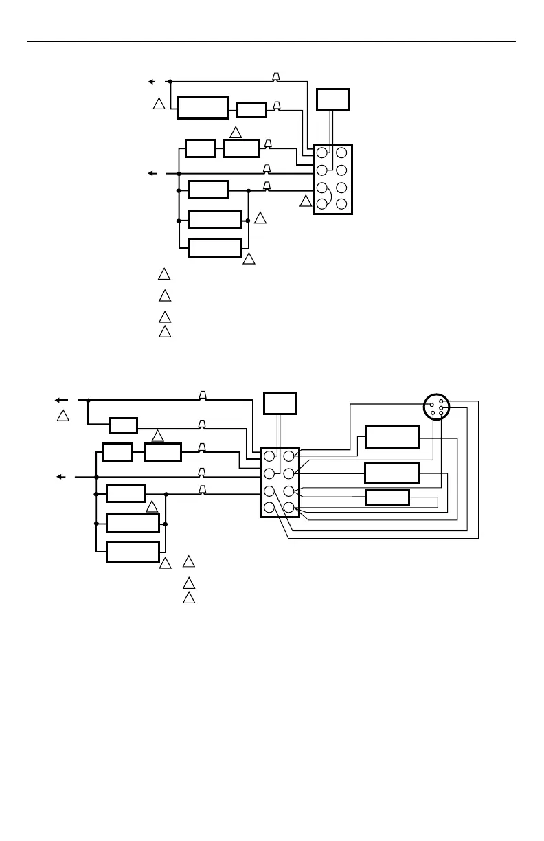
Fig. 8. Typical hydronic hookup for R8184P.
Fig 9. Typical warm air hookup for R8184P.
1 POWER SUPPLY. PROVIDE DISCONNECT MEANS AND
OVERLOAD PROTECTION AS REQUIRED.
2 IGNITION TRANSFORMER CAN BE CONNECTED TO VALVE OR
BURNER MOTOR.
3 OMIT ON SYSTEMS WITHOUT POWER VENTING.
4 JUMPER R-W.
RED
BLACK
VIOLET
WHITE
ORANGE
L1
(HOT)
F
L2
(LINE)
1
3
2
3
M10022
OIL
VALVE
AIR FLOW
SWITCH
AQUASTAT®
CONTROLLER
BURNER
MOTOR
IGNITION
TRANSFORMER
VENTER
MOTOR
CAD
CELL
F
R
W
RC
Y
G
C
R8184P
PROTECTORELAY®
HYDRONIC
CONTROL
4
LIMIT
THERMOSTAT
M10021
1 POWER SUPPLY. PROVIDE DISCONNECT MEANS AND
OVERLOAD PROTECTION AS REQUIRED.
2 IGNITION TRANSFORMER CAN BE CONNECTED TO VALVE OR BURNER MOTOR.
3 OMIT ON SYSTEMS WITHOUT POWER VENTING.
RED
ORANGE
BLACK
VIOLET
WHITE
L1
(HOT)
F
L2
(LINE)
1
3
2
3
LIMIT
OIL
VALVE
AIR FLOW
SWITCH
COOLING
TRANSFORMER
COOLING
CONTACTOR
FAN RELAY
BURNER
MOTOR
IGNITION
TRANSFORMER
VENTER
MOTOR
CAD
CELL
F
R
W
RC
Y
G
C
R8184P
PROTECTORELAY®
WARM AIR
CONTROL
NOTE: USE COPPER CONDUCTORS ONLY

Related product manuals