EasyManua.ls Logo

Honeywell R4184D - Page 4

Honeywell R4184D
6 pages
Print Icon
To Next Page IconTo Next Page
To Next Page IconTo Next Page
To Previous Page IconTo Previous Page
To Previous Page IconTo Previous Page
Loading...
69-0618—3
4
R4184D; R8184G,M,N,P Protectorelay
®
OIL PRIMARY CONTROLS
M1560A
USED FOR 4 AMP THERMOSTAT ONLY.
CAD
CELL
F
RWY
THERMOSTAT
G
FAN RELAY
COOLING
CONTACTOR
WCRY
F
G
(T)(T)
R8184M
PROTECTORELAY
CONTROL
K1
SS
SAFETY
SWITCH
HEATER
R4
1K1
BLUE
RED
BROWN
TRIAC
BILATERAL
SWITCH
CAPACITOR
R2
R1
1K2
BLACK
WHITE
ORANGE
BLACK
JUNCTION
BOX
IGNITION
OIL VALVE
BURNER
LIMIT
L1
(HOT)
L2
1
1
®
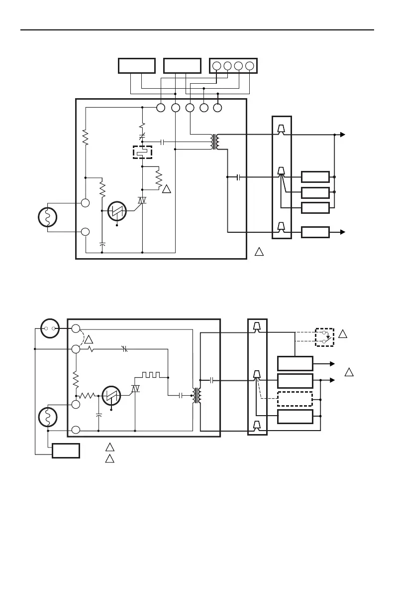
Fig. 6. Typical hookup for R8184M.
Fig. 7. Typical hookup for R8184N.
JUNCTION BOXTHERMOSTAT
BLACK
ORANGE
WHITE
R2
SAFETY
SWITCH
M717A
POWER SUPPLY. PROVIDE DISCONNECT MEANS AND OVERLOAD PROTECTION AS REQUIRED.
TO USE R8184N WITH LINE VOLTAGE CONTROLLER, JUMPER T1-T2 TERMINALS AND CONNECT
LINE VOLTAGE THERMOSTAT IN SERIES WITH LIMIT CONTROLLER.
CAD CELL
F1
T1
T2
F2
R8184N PROTECTORELAY CONTROL
SAFETY
SWITCH
HEATER
1K
TRIAC
BILATERAL
SWITCH
CAPACITOR
R1
1K2
1K1
1
2
2
2
1
IGNITION
LIMIT
LINE VOLTAGE
THERMOSTAT
OIL VALVE
(OPTIONAL)
BURNER
MOTOR
.4064T
HEATER
L2
L1
(HOT)
®

Related product manuals