EasyManua.ls Logo

Hoover Performa Plus - The Control Panel; Machine operation and start;pause

Hoover Performa Plus
32 pages
Print Icon
To Next Page IconTo Next Page
To Next Page IconTo Next Page
To Previous Page IconTo Previous Page
To Previous Page IconTo Previous Page
Loading...
Turning the machine On
Turn the machine ON by selecting a programme using the
programme selector. This status will be indicated by the STOP
indicator light flashing, this light will continue to flash until
the machine has started or the programme selector is returned
to the OFF position.
Start/Pause
START
After selecting the programme and the required options (see
the Wash Options section of this manual) press the
START/PAUSE button once to start the wash cycle. The STOP
light will stop flashing and START light will illuminate and
there will be a short time delay to the start of the programme
while the machine sets the wash parameters for the selected
programme and options. If the duration of the programme
you have selected is shorter than 60 minutes, then the TIME TO
RUN indicator will illuminate accordingly. The door lock
indicator light will also illuminate a few seconds after pressing
the START/PAUSE button.
16
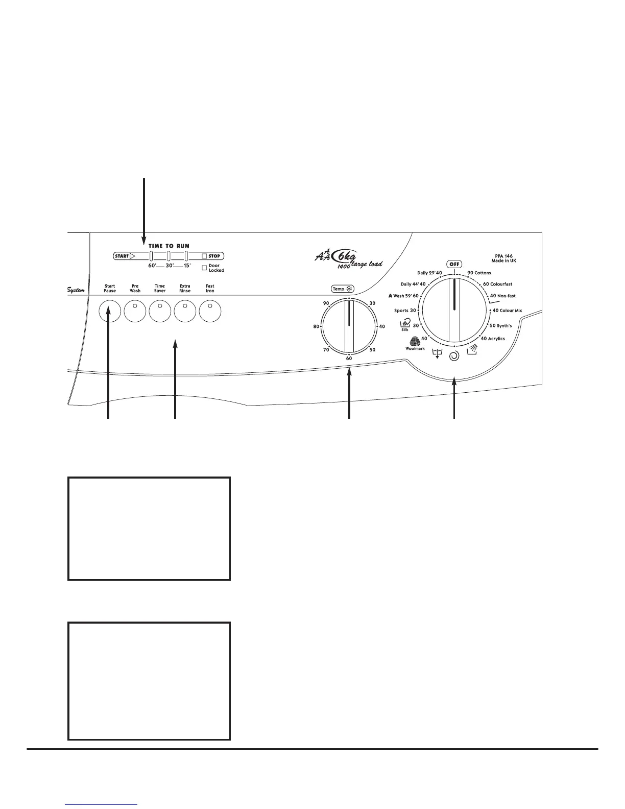
The Control Panel
TIME TO RUN Display
START/
PAUSE
OPTIONS
BUTTONS
TEMPERATURE
SELECTOR
PROGRAMME
SELECTOR
The programme
selector must be return
to the OFF position to
reset the controls
between each wash
cycle.
To start another wash
cycle the programme
selector must be
returned to OFF before
the next programme
can be selected and
started.

Related product manuals