EasyManua.ls Logo

HP 203A - Page 58

HP 203A
68 pages
Print Icon
To Next Page IconTo Next Page
To Next Page IconTo Next Page
To Previous Page IconTo Previous Page
To Previous Page IconTo Previous Page
Loading...
Model
203A
|
Section
VI
Table
6-1
Table
6-1.
Reference
Designation
Index
(Cont'd)
REFERENCE
із
P
:
С
DESIGNATION
|
®
STOCK
NO.
DESCRIPTION
sone
|
|
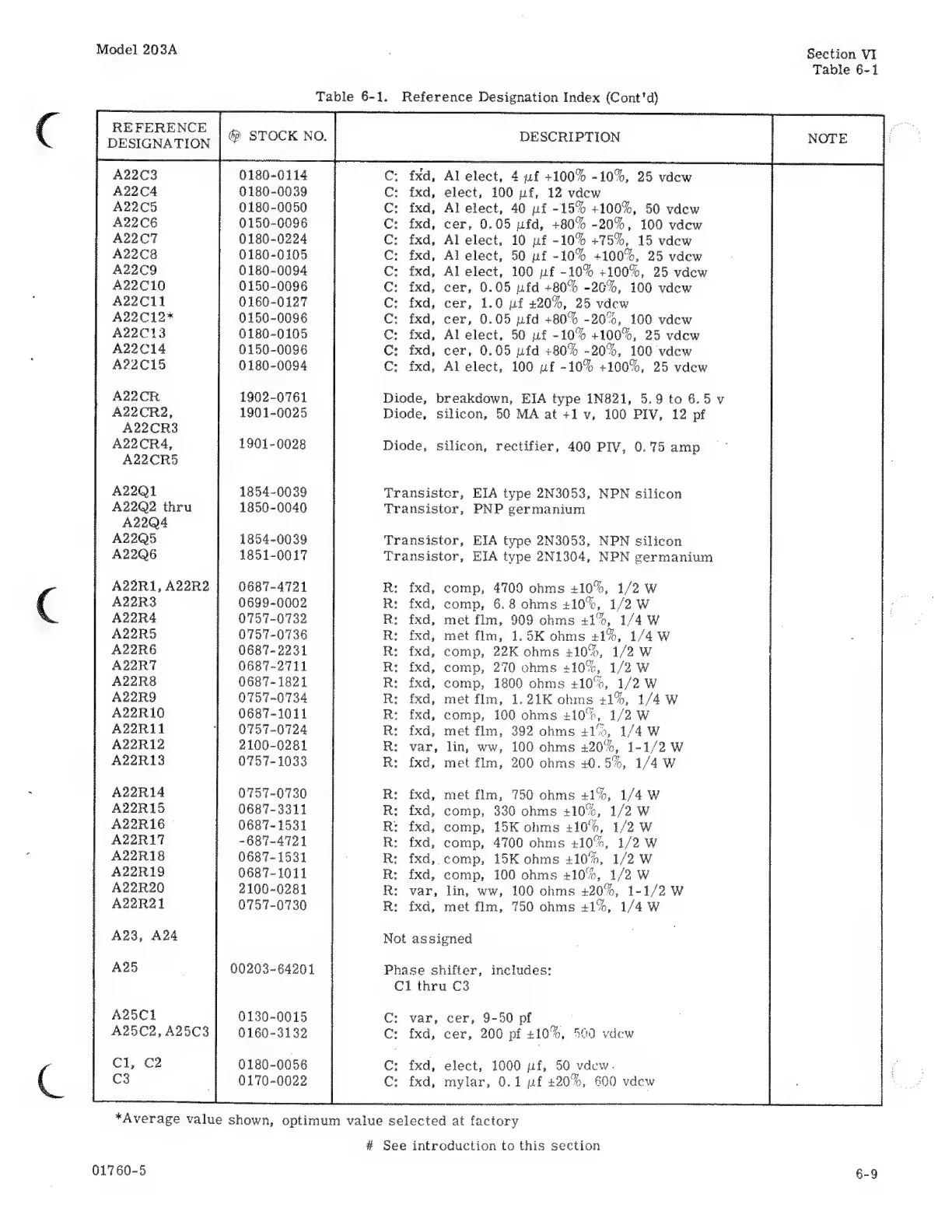
A22C3
0180-0114
C;
fxd,
Alelect,
4
uf
+100%
-10%,
25
vdew
A22C4
0180-0039
С:
fxd,
elect,
100
uf,
12
уйсу
A22C5
0180-0050
C:
fxd,
Al
elect,
40
uf
-15%
41007,
50
уйсу
A22C6
0150-0096
С:
fxd,
cer,
0.05
ufd,
+80%
-20%,
100
vdew
A22C7
0180-0224
С:
fxd,
Al
elect,
10
uf
-10%
+75%,
15
vdcw
A22C8
0180-0105
С:
fxd,
Al
elect,
50
uf
-10%
+100%,
25
уйсу
A22C9
0180-0094
С:
fxd,
Al
elect,
100
uf
-10%
+100%,
25
уйсу
А22С10
0150-0096
C:
fxd,
сег,
0.05
ufd
+80%
-26%,
100
vdew
A22C11
0160-0127
С:
fxd,
cer,
1.0
uf
4207,
25
уйсу
A22C12*
0150-0096
С:
fxd,
cer,
0.05
ufd
+80%
-20%,
100
vdew
A22C13
0180-0105
С:
fxd,
Al
elect,
50
uf
-10%
41007,
25
уйсу
A22C14
0150-0096
C:
fxd,
сег,
0.05
ufd
+80%
-20%,
100
vdew
A22C15
0180-0094
C:
fxd,
Al
elect,
100
ці
-10%
+100%,
25
уйсу
A22CR
1902-0761
Diode,
breakdown,
EIA
type
1N821,
5.9
to
6.5
v
A22CR2,
1901-0025
Diode,
silicon,
50
MA
at
«1
v,
100
PIV,
12
pf
A22CR3
A22CR4,
1901-0028
Diode,
silicon,
rectifier,
400
PIV,
0.75
amp
A22CR5
A22Q1
1854-0039
Transistor,
EIA
type
2N3053,
NPN
silicon
A22Q2
thru
1850-0040
Transistor,
PNP
germanium
A22Q4
А2205
1854-0039
Transistor,
ЕТА
type
2N3053,
NPN
silicon
A22Q6
1851-0017
Transistor,
EIA
type
2N1304,
NPN
germanium
A22R1,
A22R2
|
0687-4721
fxd,
сотр,
4700
ohms
+10
%
1/2
(
A22R3
0699-0002
fxd,
comp,
6.8
ohms
+10%,
1/2
W
A22R4
0757-0732
fxd,
met
fim,
909
ohms
+1%,
1/4
W
A22R5
0757-0736
fxd,
met
flm,
1.5K
ohms
+1%,
1/4
W
A22R6
0681-2231
fxd,
comp,
22K
ohms
+10%,
1/2
W
A22R7
0687-2711
fxd,
comp,
270
ohms
+109,
1/2
W
A22R8
0687-1821
fxd,
comp,
1800
ohms
+10%,
1/2
W
A22R9
0757-0734
fxd,
met
fim,
1.21K
ohms
+1%,
1/4
W
A22R10
0687-1011
fxd,
comp,
100
ohms
+10%,
1/2
W
A22R11
0757-0724
fxd,
met
flm,
392
ohms
2155,
1/4
W
A22R12
2100-0281
var,
lin,
ww,
100
ohms
320%,
1-1/2
W
A22R13
0757-1033
fxd,
met
fim,
200
ohms
+0.5%,
1/4
W
A22R14
0757-0730
fxd,
met
fim,
750
ohms
41%,
1/4
W
Pee
а
Pew
ea
eee
ee
A22R15
0687-3311
fxd,
comp,
330
ohms
+10%,
1/2
W
A22R16
_
0687-1531
fxd,
comp,
15K
ohms
+10%,
1/2
W
A22R17
-687-4721
fxd,
comp,
4700
ohms
+10%,
1/2
W
A22R18
0687-1531
fxd,
comp,
15K
ohms
+10%,
1/2
W
A22R19
0687-1011
fxd,
comp,
100
ohms
+100,
1/2
W
A22R20
2100-0281
var,
lin,
ww,
100
ohms
320%,
1-1/2
W
A22R21
0757-0730
fxd,
met
flm,
750
ohms
41%,
1/4
W
A23,
A24
Not
assigned
A25
00203-64201
Phase
shifter,
includes:
C1
thru
C3
А25С1
A25C2,
A25C3
0130-0015
0160-3132
var,
сег,
9-50
pf
Е
fxd,
сег,
200
pf
+10%,
500
уйсу
0180-0056
0170-0022
Ch
c2
C3
fxd,
elect,
1000
ші,
50
уйсу
fxd,
mylar,
0.1
uf
4207,
600
vdew
*Average
value
shown,
optimum
value
selected
at
factory
#
See
introduction
to
this
section
01760-5
6-9

Related product manuals