EasyManua.ls Logo

HP 203A - Page 64

HP 203A
68 pages
Print Icon
To Next Page IconTo Next Page
To Next Page IconTo Next Page
To Previous Page IconTo Previous Page
To Previous Page IconTo Previous Page
Loading...
Model
203А
С
09
Stock
No.
1490-0030
1500-0002
1500-0004
1500-0005
1510-0006
1510-0007
1520-0001
1850-0038
1850-0040
1850-0095
1851-0017
1853-0008
1853-0009
1853-0016
1854-0005
1854-0014
1854-0033
1854-0039
С
1901-0025
1901-0026
1901-0040
1901-0049
1902-0761
1910-0016
2100-0094
2100-0113
2100-0206
2100-0281
2100-0282
2100-0908
2100-0909
2110-0202
2110-0312
2140-0058
3100-0841
3101-1234
3101-1248
5000-0051
5000-0637
5000-8597
5000-8599
5020-0233
C
5020-0241
2020-0345
5020-0630
01760-5
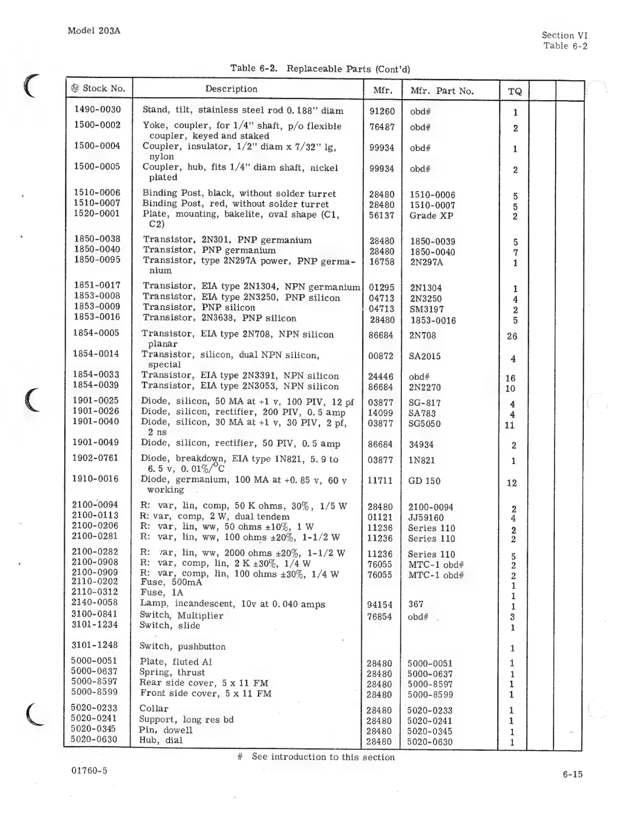
Table
6-2,
Replaceable
Parts
(Cont'd)
coupler,
keyed
and
staked
Coupler,
insulator,
1/2"
diam
x
7/32"
lg,
nylon
Coupler,
hub,
fits
1/4"
diam
shaft,
nickel
plated
Binding
Post,
black,
without
solder
turret
Binding
Post,
red,
without
solder
turret
Plate,
mounting,
bakelite,
oval
shape
(C1,
C2)
Transistor,
2N301,
PNP
germanium
Transistor,
PNP
germanium
Transistor,
type
2N297A
power,
PNP
germa-
nium
Transistor,
EIA
type
2N1304,
NPN
germanium
Transistor,
EIA
type
2N3250,
PNP
silicon
Transistor,
PNP
silicon
Transistor,
2N3638,
PNP
silicon
Transistor,
ЕТА
type
2N708,
NPN
silicon
planar
Transistor,
silicon,
dual
NPN
silicon,
special
Transistor,
EIA
type
2N3391,
NPN
silicon
Transistor,
EIA
type
2N3053,
NPN
silicon
Diode,
silicon,
50
MA
at
+1
у,
100
PIV,
12
pf
Diode,
silicon,
rectifier,
200
PIV,
0.5
amp
Diode,
silicon,
30
MA
at
+1
у,
30
PIV,
2
pf,
2
ns
Diode,
silicon,
rectifier,
50
PIV,
0.5
amp
Diode,
pestis
EIA
type
1N821,
5.9
to
6.
5
v,
0.
01%/°C
Diode,
germanium,
100
MA
at
«0.
85
v,
60
v
working
В:
var,
lin,
comp,
50
К
ohms,
30%,
1/5
W
R:
var,
comp,
2
W,
dual
tendem
В:
var,
lin,
ww,
50
ohms
«1075,
1
W
В:
var,
lin,
ww,
100
ohms
+20%,
1-1/2
W
Н
R
таг,
lin,
ww,
2000
ohms
22075,
1-1/2
W
:
var,
comp,
lin,
2
К
43095,
1/4
W
В:
уаг,
comp,
lin,
100
ohms
+30%,
1/4
W
Fuse,
500mA
Fuse,
1A
Lamp,
incandescent,
10v
at
0.
040
amps
Switch,
Multiplier
Switch,
slide
Switch,
pushbutton
Plate,
fluted
Al
Spring,
thrust
Rear
side
cover,
5x
11
FM
Front
side
cover,
5
х
11
ЕМ
Collar
Support,
long
res
bd
Pin,
dowell
Hub,
dial
#
See
introduction
to
this
section
91260
76487
99934
99934
28480
28480
56137
28480
28480
16758
01295
04713
04713
28480
86684
00872
24446
86684
03877
14099
03877
86684
03877
11711
28480
01121
11236
11236
11236
76055
76055
94154
76854
28480
28480
28480
28480
28480
28480
28480
28480
obd#
obd#
obd#
obd#
1510-0006
1510-0007
Grade
ХР
1850-0039
1850-0040
2У297А
251304
253250
5М3197
1853-0016
23708
542015
obd#
2N2270
SG-817
SA783
805050
34934
114821
GD
150
2100-0094
4459160
Series
110
Series
110
Series
110
МТС-1
obd#
МТС-1
obd#
367
obd#
юэ
ба
каз
ра
ка
М
мсл
OO
Н
рэ
5000-0051
5000-0637
5000-8597
5000-8599
5020-0233
5020-0241
5020-0345
5020-0630
ра ка
ій
«АНА
ыа
Section
VI
Table
6-2
me
200
р
[шшш
си
Stand,
tilt,
stainless
steel
rod
0.
188"
diam
Yoke,
coupler,
for
1/4"
shaft,
p/o
flexible

Related product manuals