EasyManua.ls Logo

HP 3455A - Page 114

HP 3455A
249 pages
Print Icon
To Next Page IconTo Next Page
To Next Page IconTo Next Page
To Previous Page IconTo Previous Page
To Previous Page IconTo Previous Page
Loading...
Model 34SSA
THEORY
OF OPERATION
Section
VUl
e. The main controller next checks to
see
if
one of the
math functions
have
been selected.
The math functions pro-
X
-
z
vide either a scaled
answer
(
y
),
where x is the measure-
ment answer and
y
and
z
are
values entered
by
the opera-
x -
y
tor, or a percent error
answer
(
~
x
100),
where x is
the measurement answer and
y
is a^
reference value entered
by the operator. If the math function
has been selected, the
main
controller computes the math answer.
f. The main controller next
checks to
see if the HP-IB
buffers are
active
(outputting data to the bus). If the HP-IB
buffers are not active, the main controller loads the answer
into them. If the buffers are
active the controller bypasses
this step.
g.
The main controller loads the
fmal answer in the dis-
play
buffers and returns to the start
of the program.
8-1
18. Circuit
Description.
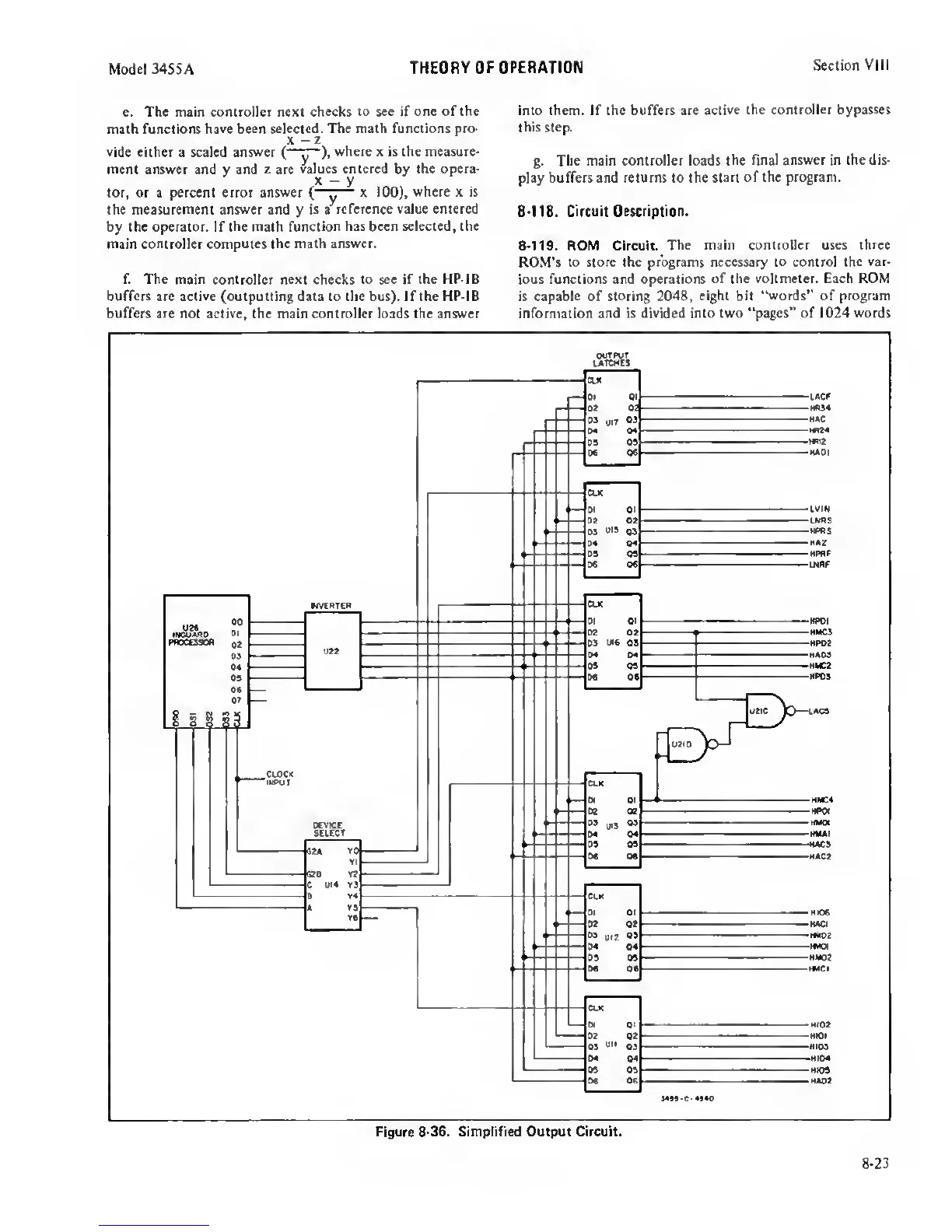
B-119. ROM Circuit. The
main controller uses three
ROM’s
to store the programs necessary to control the
var-
ious functions and operations
of the voltmeter. Each ROM
is capable of
storing
2048,
eight bit “words” of program
information and
is divided into two “pages” of 1024 words
8-23