EasyManua.ls Logo

HP 3455A - Page 95

HP 3455A
249 pages
Print Icon
To Next Page IconTo Next Page
To Next Page IconTo Next Page
To Previous Page IconTo Previous Page
To Previous Page IconTo Previous Page
Loading...
Section
VIII THEORY OF OPERATION
Model 3455A
external input voltage to the internal reference
volt-
age times the range factor
(Kf).
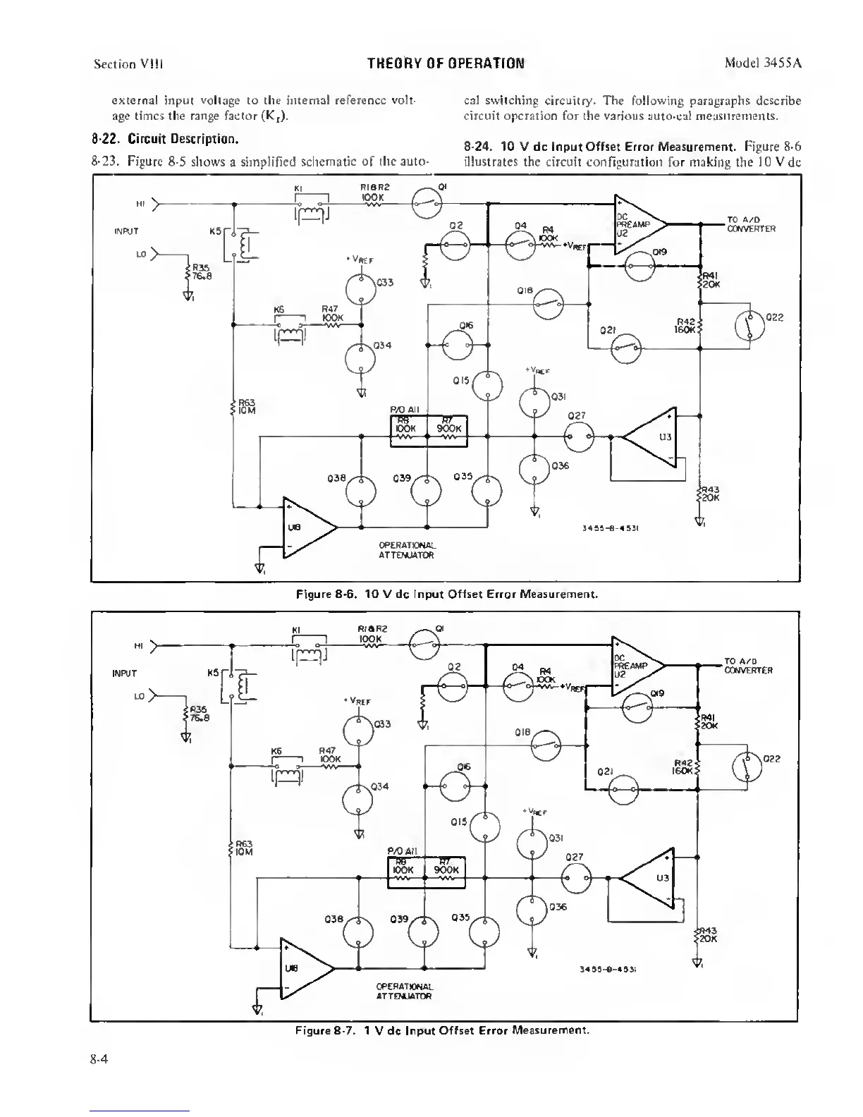
8-22. Circuit Description.
8-23.
Figure
8-S shows
a
simplified schematic of
the auto-
cal switching circuitry. The following
paragraphs
describe
circuit operation for the various auto-cal measurements.
8-24.
10 V dc Input Offset Error Measurement. Figure
8-6
illustrates
the circuit configuration
for
making
the
10V
dc
Figure 8-€. 10 V dc Input Offset Error Measurement.
8-4

Related product manuals