EasyManua.ls Logo

HP 3490A - Page 121

HP 3490A
298 pages
Print Icon
To Next Page IconTo Next Page
To Next Page IconTo Next Page
To Previous Page IconTo Previous Page
To Previous Page IconTo Previous Page
Loading...
Section VI
Model 3490A
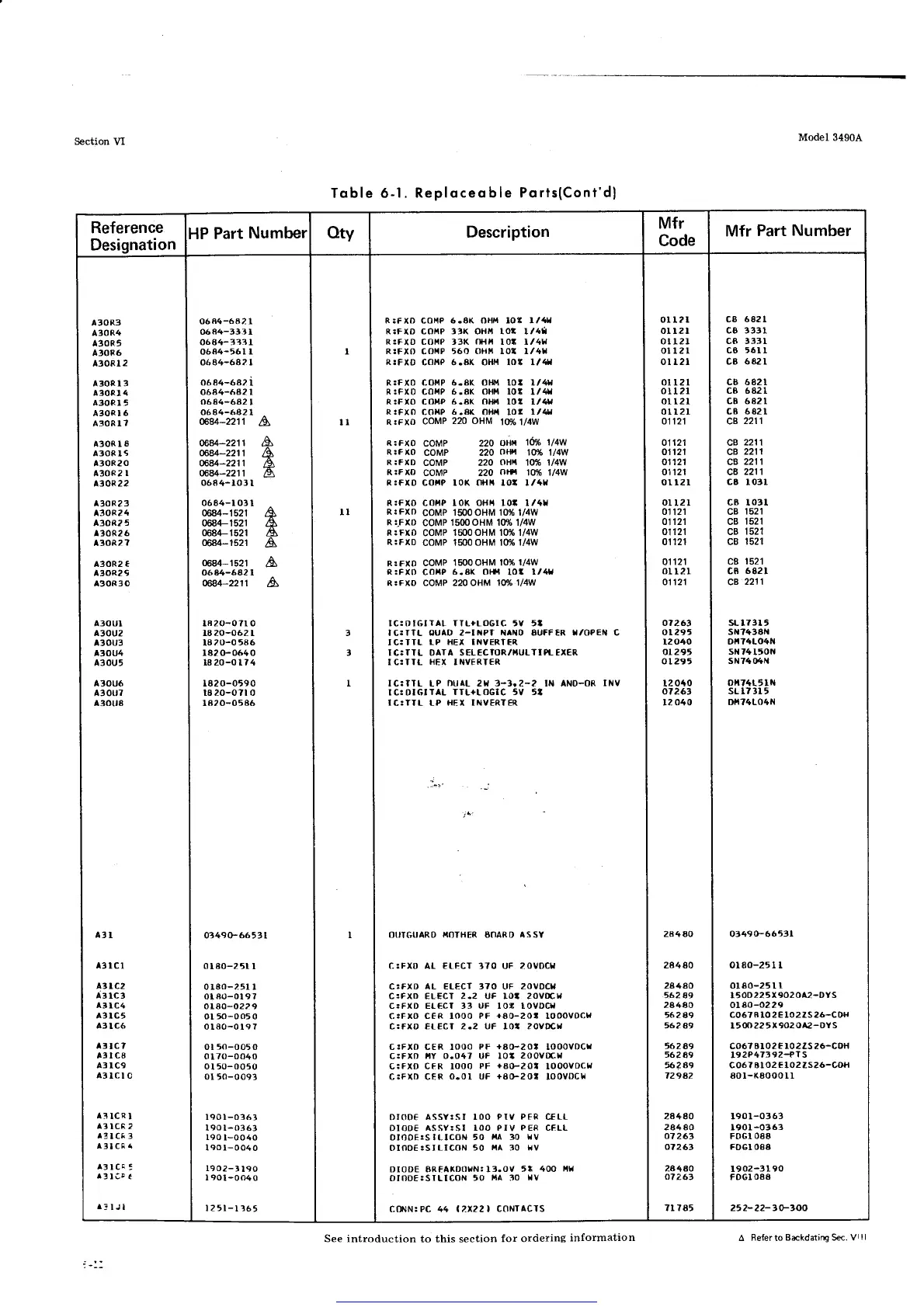
Toble 6-1. Reploceoble
Ports(Cont'd)
Reference
Designation
HP Part
Number oty
Description
Mfr
Code
Mfr
Part
Number
A3OR3
A3OR4
430R5
A30F6
a30Rl
2
a30R I 3
a30Rl
4
a30Rl 5
a30Rl
6
a30R I
7
a30R I
I
a30R
I
I
430R20
430R2
r
AaoF22
l30R
2
3
a30R2
4
aloR2
5
130R2
6
A3OR2
?
^30R2 t
130R29
A30R30
^30u1
430u2
A3OU3
Atot14
A3OU'
A30U6
430{r7
a30lr8
afl
13lcl
^ttc2
Ä3
lca
^3tc4
a3
lc5
13lc6
l3lc7
t3lc8
a3lc9
a3lct
c
l3
ICR
I
13
lcß 2
r?
lcF
3
l3l
cF
4
l3lcF:
r3
l;p 6
r_:lJl
0684-6n2 I
06
84-33i
I
06a4-333t
0684-56r
I
0684-682 I
ooa+-oaz
i
06a4-68? I
0684-6A2
I
06 84-682
I
684-2211
06'8/.,2211
ß44-2211
ß44-2211
068/,-2211
0684-lO3
t
0644-l o3
I
0684-1 521
068,r-1521
068/t- 1521
0684-1521
0684- 1521
o6a4-6421
0684-2211
1820-o?l o
1820-o62 t
l8
20-o 5a6
la2(F0640
1820-o174
t820-0590
t8 20-o7t o
I 820-0546
A.
A
,A
l*
A
A
A
01490-66531
0t80-25t
I
0 r80-251 I
ol
ao-ot 97
ola0-o22 9
ot 50-o050
ol80-01e7
ol 50-o05 0
o
170-o040
ol 50-o050
ot 50-oo93
l90l-036f
l90l-0363
190
t-oo40
190 I-0040
19 02-
3
190
I 901
-O()4
O
l25l-1365
I
II
ll
7
t
I
I
R:FXD
CO'{P
6.8K OHM l0l l/4tl
R:FXD COftP 33K OHl,t lot l/41
R:FXD COHP 33K
fHl,r
101 ll4U
R:FXO
COXP
560 oHN lot l/41
R:FXD
COIIP 6.8K OHt{ lot l/41
R:FXD
C.OilP 6.aK
OHll l0l l/4x
R:FXD CONP 6.8K OHl.r tol l/41
R:FXO COIIP
6.AK OHf{
lot l/4rl
R:FXO
COI|P
6.AK
OHfi IOZ
llt*l
R:Fxo
COMP
220 OHM
10961/4W
R:FXO
COMP
R:FXO
coMP
R:FXD
COMP
R:FXD
COMP
R:FXD COIIP IOK
220
0H&
1096 1/4W
220
ot+,
lM 1/4W
220
oHr
lW" 1l4W
220
oHn
1trÄ 1/4W
olü lot t/tl
RIFXO COf{P IOK OHr lO? 1/4H
R:FXD
COMP
1500OHM 10% 1/4W
R
iFxD
COMP
1500 OHM 1096 1/4W
R:FXD
COMP
1500oHM 10%1/4W
R:FXD
COMP
1500 OHM 10% 1/4W
R:FXD
coMP
1500oHM 10%
1/4W
R:FXD
COXP
6.aK OH,l
l0l
l/41
R:FXD COMP 2200HM 1ü6114W
lC:oIGITAL TTL+LOGIC tV 5l
IC:TTL
OUAD 2-II{PI NAI{O SUFFER I/OPEN C
IC:TTT
fP HEX INVERTER
IC:TTL DATA SELECIOR/IiULTIOtEX€R
IC:TTL
HEX
INVERTER
IC:ITL LP
DtlÄL
2r a-1.2-2 lN ANO-OR
INv
IC:OIGITAL
TTL+I.OGIC 5V 5I
IC:ITL LP HEX INVERTER
OI'TGIIARD IIOTHER SNARD ASSY
C:FXD AL ELFCT 370 UF zOVDCII
C:FXD AL EI.ECT 370 UF zOVDCT
C:FXD ELECT 2.2 UF lol 2OVm.B
C:FXD EI€CT 33 UF lol IOVDCH
c:Fxo cER looo PF
+a0-201
looovocr
c:fxD EL€CI 2.2 UF lot 2oVDC|.
C:FXO CER lOr)O
PF
+8G-2Ol
IOOOVDCT
c:FxD l|Y 0.047 UF l0l zoovD(.ll
C:FlD CFR IOOO
PF
+8O-2Ol
IOOOVDCI{
C:FXD CER
O.0l
UF
+8(F?Ol
IOOVDCH
DIOD€
ASSY:SI IOO
PIV PFR
CELL
OIODE
ASSY:SI IOO PIV PER CFLL
oIooE:slt-lcot{
50
l.a
30
Uv
oIoDE:SILICON
50 IA 30 tV
DIOD€ EREAXDOHN:L3.OV
51
400 l,lll
otooE:srLlcoN
50
La
30
Hv
coÄ,N:Pc 44 l?.x221
coNTAcTs
ol
t?l
ol l2l
ott2l
01 121
ol l2l
oll2l
oll2l
ol l2l
oll2l
01 121
01121
01121
01121
01 121
ol l2l
oll2l
01121
01121
01121
01121
o't121
olt2l
01121
ot263
ol 295
12040
ot29,
oL295
l2 0io
01 261
l2 040
2844O
28480
28480
562A9
28480
56249
562A9
56249
562
89
56249
729a2
za4ao
28480
o7
?61
or26l
2a4AO
o726)
7l 785
c8 6821
ca 3331
ca 3331
cB 56ll
ca 6821
cB 6821
cB 6821
cB 6821
c8 6821
cB
2211
cB 2211
cB
2211
cs
2211
ca
2211
ca
lo31
c8 lo3l
cB
1521
cB
1521
cB
1521
cB
1521
cB 1521
c8
6821
cB
2211
sL l731 5
st{?438N
oil?4L04t{
sfi74150N
sN7{04N
olt74l51N
sL17315
Df{?4LO4N
0349G-66531
ot 80-25 I I
ol 80-25 I I
150D22
5 X902 0A2-DYS
ol
ao-o2
29
co678102ElO2tS26-CDH
t 500 22 5 X 9020A2-DY
S
co67 8102
E
l02zs 26-coH
192P473
92-PT S
c067 Bl
o2 E
LO2 ZS26-COH
801-K8000 I I
l90l-o3
63
1901
-0363
FOGI
088
FOeloSa
t902-3 I
90
FDGI
088
252-22-)O-aOO
See introduction
to this section
for ordering
information
A Re{er to
B&kddir€ Sec. Vrll
Get other manuals https://www.bkmanuals.com

Table of Contents

Related product manuals