EasyManua.ls Logo

HP 3490A - Page 200

HP 3490A
298 pages
Print Icon
To Next Page IconTo Next Page
To Next Page IconTo Next Page
To Previous Page IconTo Previous Page
To Previous Page IconTo Previous Page
Loading...
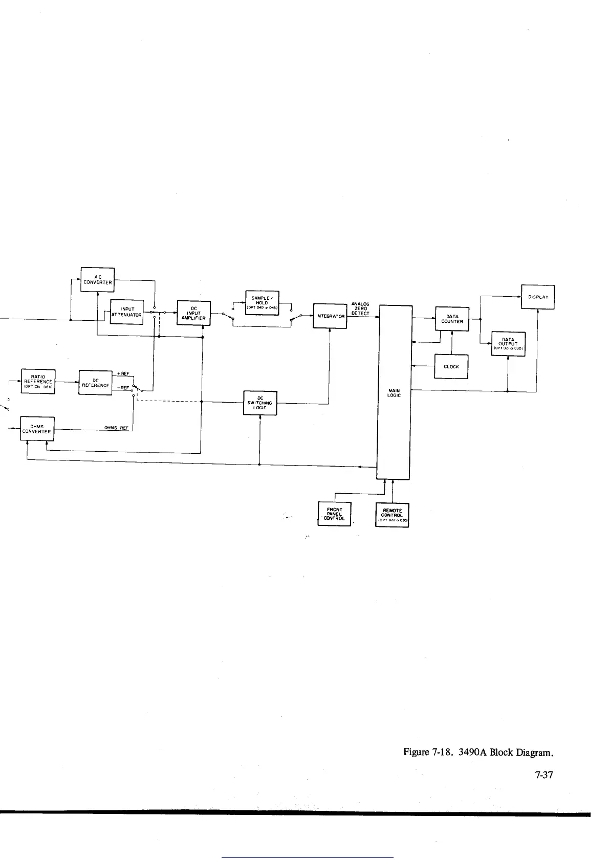
Figure
7-18.
3490A
Block
Diagram.
737
Get other manuals https://www.bkmanuals.com

Table of Contents

Related product manuals