EasyManua.ls Logo

HP 3490A - Page 216

HP 3490A
298 pages
Print Icon
To Next Page IconTo Next Page
To Next Page IconTo Next Page
To Previous Page IconTo Previous Page
To Previous Page IconTo Previous Page
Loading...
3U
FFERS
DATA
BIT O H
OATA BIT C H
.\
.
,>-
DATA BIT B
H
'r./
>.-
:ATA BIT A H
L/
TO
OISPLAY
AND
,
DATA OUTPUT
J
.
to,@oF
F-
rm,@
--i
I
c@{rs
I
I
$@OR
I
l._
eo,ooo
--l
I
I
couNrs
|
|
--\------lJ
\
\7
TIME
COUNT
I
(LTCr)
TO Ut5il)
TIMING
COUNTER
7
TIME
COUNT 2
(HTC2)
TO
Ut5(t3)
(Hrc4)
TrME COUNT 4 TO ',a,O'
I
(Hrcs)
.ME couNr
8
ro
ur5a4)
|
(Hrcr6)
T'ME couNT 16 To
ur5rs)
|
?
(Hrc3z)
TIME
couNr 32 ro urstrzt,
I
ur8il3).
u22
(2)
)
t
H
-
r
(
LCrC)
7
CLEAR TIME
COUNTER L
I
FROM
Ut6
(
t)
+ I7V FROM
POWER SUPPLY
+r2v To u9(28),
7
u40t
(28)
g
-6V
TO Ril,R44
I
TIMING COUNTER
OUTPUTS
s
io
r'ra
r
COUNTS
PERIOD
+
ro,ooo
+roo.ooo
6OHz LINE sOHz LINE
*
to,ooo
+
roo,ooo
+ro,ooo+
roo,ooo
HTC I
Hr.c2
HTC4
HTCS
HTC I6
HTC32
ro,ooo
20,ooo
40,ooo
80,ooo
r60,ooo
320.OOO
roo,ooo
200,ooo
400,ooo
800,ooo
r,600,ooo
3,200,ooo
5mS
l0mS
2OmS
40mS
EOhS
l6OmS
IOOmS
2OOmS
4OOmS
SOOmS
r.6 s
l2mS
24mS
48 mS
96
mS
192
mS
6OnS
l20mS
24OmS
480mS
95OmS
t.92S
I
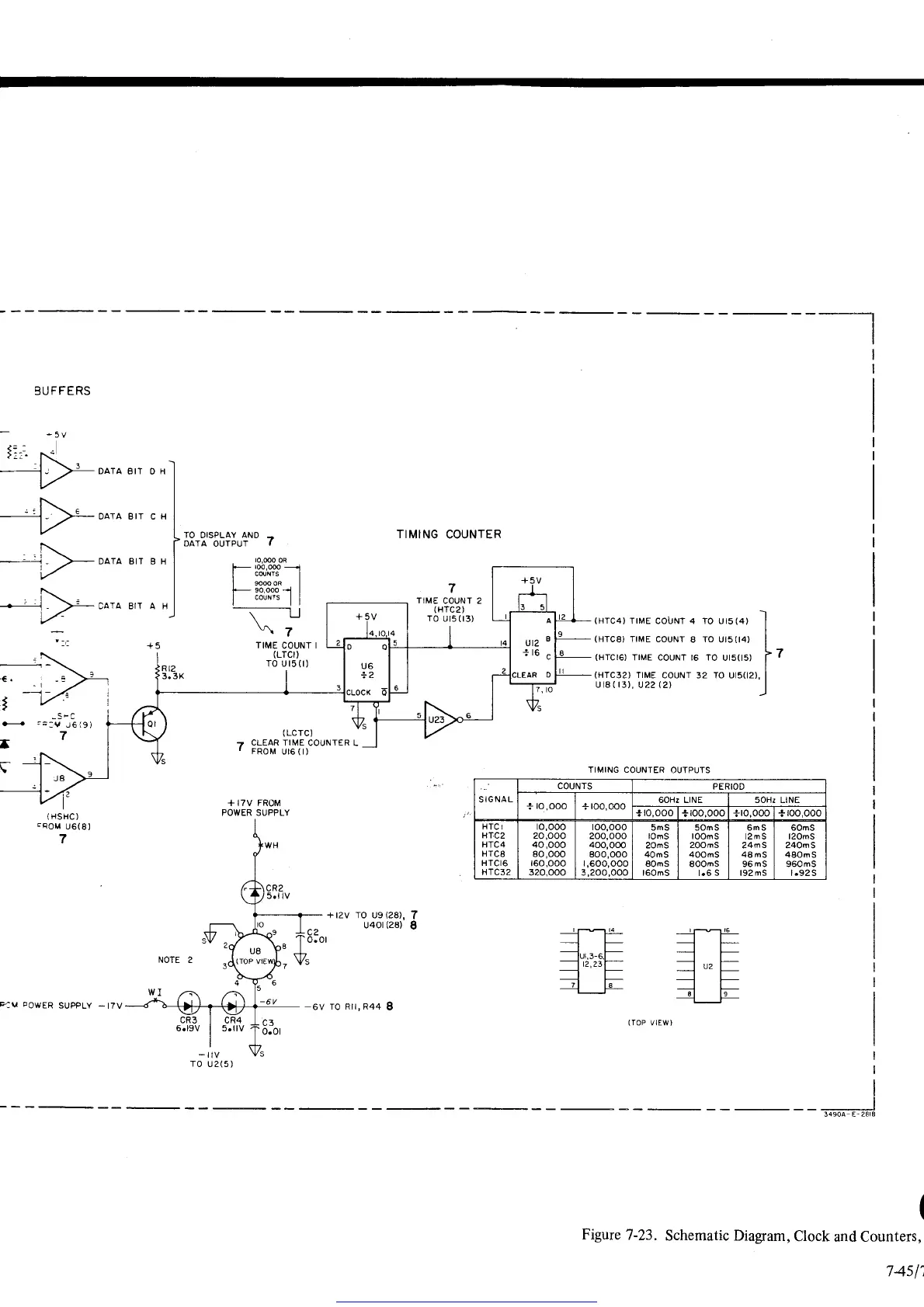
Figure
7-23.
Schematic Diagram,
Clock
and Counters,
7451-t
Get other manuals https://www.bkmanuals.com

Table of Contents