EasyManua.ls Logo

HP 3490A - Page 251

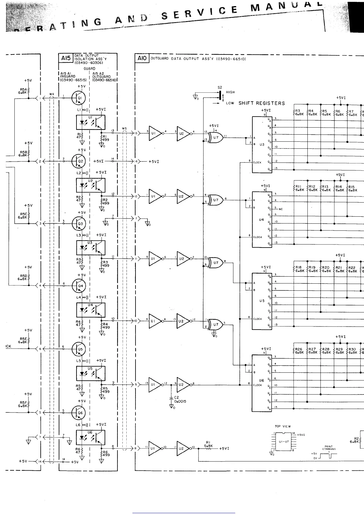
HP 3490A
298 pages
Print Icon
To Next Page IconTo Next Page
To Next Page IconTo Next Page
To Previous Page IconTo Previous Page
To Previous Page IconTo Previous Page
Loading...
,-gj-l
*5V
-{rq
I
R5Fl
6.aK>
r--<
v
I
s
E
R
v
I j:-E
MAN
&Y
ghIG
ANEi
*
"]--*^--.'en'
(o3490
-60306)
GUARO
ar5 A2
|
OUTGUARO
:
(o3490-
665r6)l
a^
Qc
ac
oe
0_
QG
HIGH
LOW
SHIFT REGISTERS
+5vr---1i1+;4
COMMAN D
*sv
---j-
I ll
5V+
Get other manuals https://www.bkmanuals.com

Table of Contents