EasyManua.ls Logo

HP 3490A - Page 258

HP 3490A
298 pages
Print Icon
To Next Page IconTo Next Page
To Next Page IconTo Next Page
To Previous Page IconTo Previous Page
To Previous Page IconTo Previous Page
Loading...
9yLlsyL
'zz0
uorldo
lndul
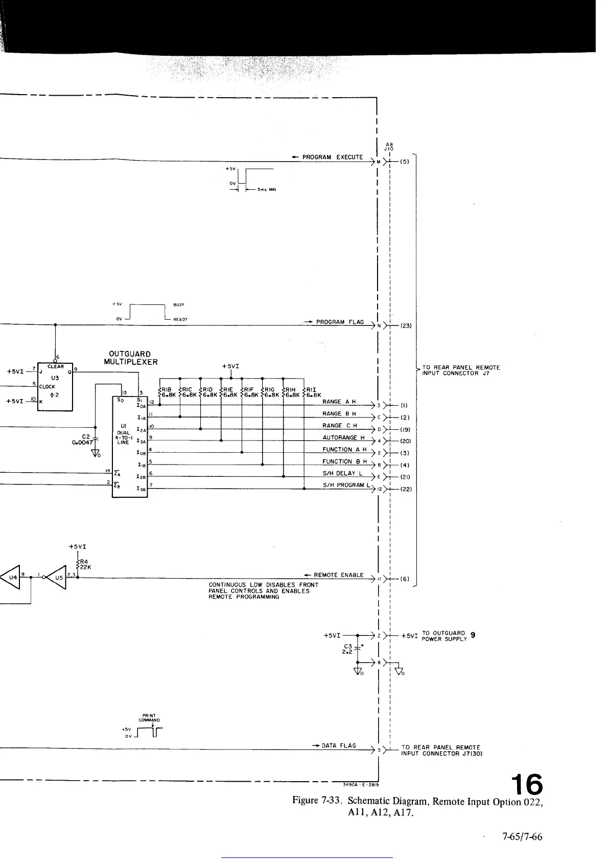
9r
.LIY
,ZIY
,IIY
olotuo1'ruur8erq
Jrleuor{cs'gg-1
arn8rg
(o€)1f
80tc3NNof,
lndNl
3row3u t3NVd uvfa or
---r\
s
Jt
I
?
oNvntroc
83X3"ldlI-lnf'l
ouvn9tno
oAl
z+l
.
I
I
l.
IA9+
--+<
,"4
-
:! X^"
+
|
EJ
(.<-
-
^tddns
ufMod
o
ouvn9-l-no or
tf UoIS3NNOC
lndNl
l.!or'r38 13NVd
Uv3U 01
IA9+
l-l8vN3
3IOI43U
+
Ftvu9oud H/s
H 3 39NVU
gNrnFrvu9oud
3row3u
sStevN3
oNv s-lou]-No3 tlNvd
INOUJ
S3-lgVSl0,l\Ol SnOnNllNO3
{e)--<
t'
i
i
I
I
I
I
lZZl
--+(zt
flz)-< r
(r)--<
I
te){z
toz){r
(6r)-ko
rzr-k:
trr
-k
e
(cz)+<
N.
(s)--<
n
I
otf
8v
""-]i::.
IA9
+
I
I
I
Get other manuals https://www.bkmanuals.com

Table of Contents