EasyManua.ls Logo

HP 3490A - Page 274

HP 3490A
298 pages
Print Icon
To Next Page IconTo Next Page
To Next Page IconTo Next Page
To Previous Page IconTo Previous Page
To Previous Page IconTo Previous Page
Loading...
F^%ä!sJ.o!$"u"'
I
o,ra
I
',tuf,r
3+r7v
-tzv--L{e
f
-rzv
.uu
i-<,"
f
+sv
T--<"e-l
ütü
:'l
'l
-l
-
FIf",,
-l
I
r,)
l***"
F-
lrsK
7v+sv
}PSE HPSD
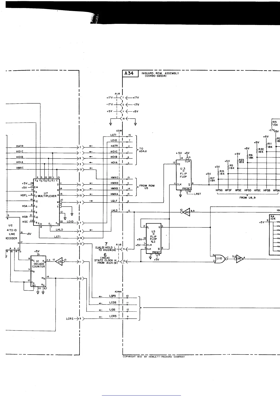
u7
MULTIPLEXER
FROil U8,9
Get other manuals https://www.bkmanuals.com

Table of Contents

Related product manuals