EasyManua.ls Logo

HP 8903B - Page 209

HP 8903B
240 pages
Print Icon
To Next Page IconTo Next Page
To Next Page IconTo Next Page
To Previous Page IconTo Previous Page
To Previous Page IconTo Previous Page
Loading...
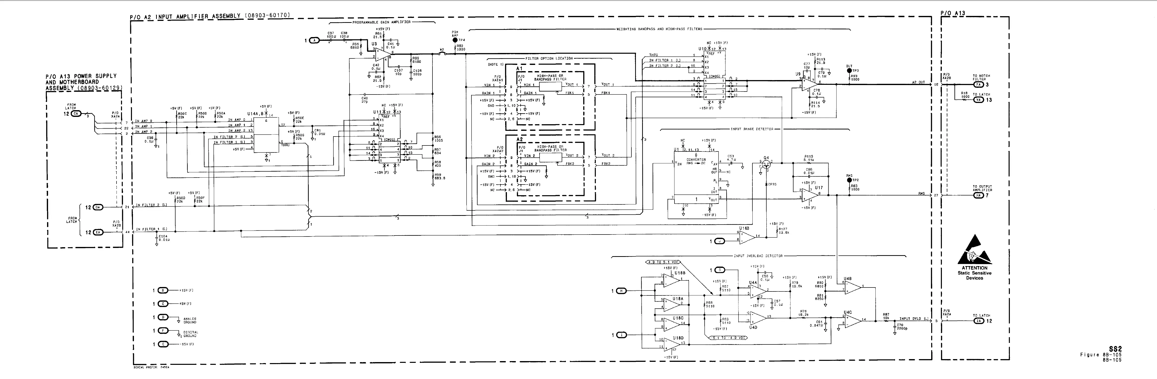
P/O A13 POWER SUPPLY
AND MOTHERBOARD
ASSEMBLY
(08903-60129
r--
---I
4,
-15V
IF)
-
210
1
1LT
-1%
If)
-
I
-
,.R5OC
R508
R50A
U14A.B
14
t5V
IF1 -15VIFl
4
>r-lSV(FI
II
-15V
IF1
::22k 22k 22k R50E
GAIN
1
I
>’
t15VIF1
+
3
)ttl5VIFl
C40
I
I
t5V IF)
t5V
IF1
t5V
[FI
15V
IF)
L,
I
I
I
II
II
-
-
7
-
--
-
,
INPUT RANGE OETECTOR-
ii
NC
+
2.6
FNC
6
22k
IN AMP
0
1~
I!:----
--
IN AMP
1
2
r12
-
-
c01
t5V (FI
--
IN AMP
2
IN AMP
1
C36
I
IN
AMP
0
22
<
\
I
‘3
NC
t15V
IF)
IN FILTER
2
IL)
5
IN FILTER
1
[L)
3
,6
;;%&G
~~.olll
u1
2.
11.13
14
P/O
THRU
-
4
r5V
LFI
-
I
/I
I
,
I
I
I
II
II
12
LATCH P/O
XA26
.’I
7
*1
I
I
-
-
\
,
:
R500
22k
R50F 22k
t5V (FI +5V IF)
I
I
I
2,
IN
FILTER
2
ILI
r
-
-
I
R115
5.11k
04
+
c53
CONVERTER
I
I
C96
0.0111
t15V
IF)
vIN
aHs
doc
1
,
RHS
I
I
II
ltCR35
GNO
1.
10
GAIN
2
I
t15V(F)
--t)
3
>rtlSVIFl
II
-1%
IF1
+
4 >r-lSVIFI
NC
--Lf
2,
6
*NC
RMS
,
OUT
6
1
VOUT
I!=----
--
ii
7
-15V
IF)
/
-15V
IF)
‘3
‘3
~~
1
(s+15vIF1
I
I
I
t15v
if1
I
1
-t5VIF1
U16B
14
ANALOG
GROUND
DIGITAL
1
GROUND
I
R127
19.6k
115V
IF1
G
t15V
IF)
0,111
U4A
i15V
(F1
5.
R67
a3
5110
5
+
Ul8A
4.
2,
R60
5110
I
RBO
6010
R01
6250
<4.9
TO
5.1
VOCX
I
I
I
13
1
I
16
27
5
I
I
TO
NOTCH
FILTER
I
[kET
v*
rH
13
I
I1
II
I1
TO
OUTPUT
AMPLIFIER
I
I
I
ATTENTION
Static Sensitive
Devices
!,,,
XAFA
TO
LATCH
I
ss2
Figure
88-105
88-105

Related product manuals