EasyManua.ls Logo

HP 8903B - Page 213

HP 8903B
240 pages
Print Icon
To Next Page IconTo Next Page
To Next Page IconTo Next Page
To Previous Page IconTo Previous Page
To Previous Page IconTo Previous Page
Loading...
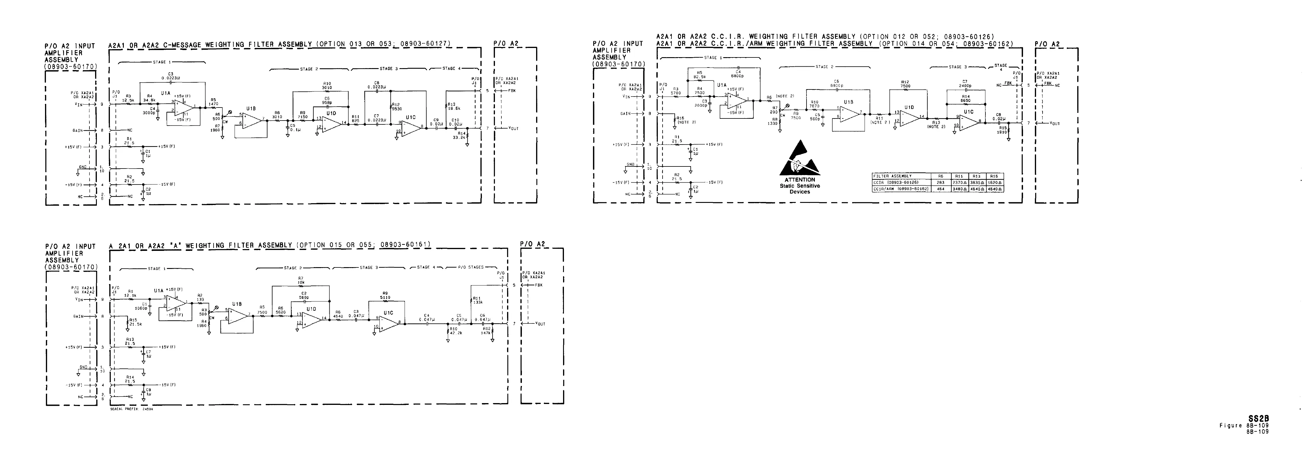
A2A1
OR
A2A2 C.C.I.R. WEIGHTING FILTER ASSEMBLY (OPTION 012
OR
052; 08903-60126)
PI0 A2 INPUT A2A1
OR
A2A2 C.C.I.R./ARM
-----
WEIGHTING FILTER
--
ASSEMBLY (OPTION
--
014
OR
--
054; 08903-60162) PI0 A2
AMPL
I
F
I
ER
ASSEMBLY
--I
r--1
STAGE 1
I
I
A2A1
OR
A2A2 C-MESSAGE WEIGHTING FILTER ASSEMBLY (OPTION
--
013
OR
053iO8903-60127)
-
PI0 A2
--I
r--1
--
-----
r--
PI0 A2 INPUT
AMPLIFIER
ASSEMBLY
(08903-60170)
r--1
I
I
II
II
I
/-STAGE
1-
,-STAGE
ST STAGE
STAGE
4-
I
I
I
3
8
I
.
I
STAGE
3
-
r
4
-1
,--STAGE
2
!X0I
A14
II
I
NCG
t6
A12 c7
6800~
7500 2400p
UlB
6650
II
U1D
11
,h
a,
I
I
(08903-60170)
P/O
XA2A1
I
r--l
OR
XA2p2
I
I
I
I
I
1
GAIN-
I
I
I
-15V IF1
--H
NC-
I
I
II
P/O
XA2Al
OA
XA2A2
5
rNC
82.5k
6800p
P/O
XA2A1
OR
XA2A2
5
-FBK
C8
u1c
0,022311
A10
3010
I
Y
I
I
Pi0
XA2A1
I
I
OR
XA2r21
I1
11
R5
1960
II
II
U1B
a
II
I'
u
rVouT
^.
I
33.2k
I
nl
II
I
I
I
II
II
I
R6
I
R11
I
R13
I
A16
I
283 12370n13830011620n
FILTLA ASSEMBLY
CCIR
108903-601261
4
*+l5V
IFI
I
I
a
J
lii
ATTENTION
Static Sensitive
Devices
I
21
5
-15V IF)
,,
I
CClWARM 108303-601621
I
464 13480~1 I4640r~146404
II
II
I
-NC
I
3
1.
10
4
2.
6
II
II
11
P/O A2 INPUT A 2A1
OR
A2A2 'A' WEIGHTING FILTER ASSEMBLY (OPTION 015
OR
053 08903-60161)
--
PI0 A2
AMPLIFIER
I--
--I
r--i
--
--
-
--
ASSEMBLY
I
I
..
I1
..
I
(08903-60170)
I
,--STAGE
I,
,-STAGE *-*-STAGE
3-
-STAGE 4--P/O STAGES-
I
I
P/O
P/O
XA2Al
r--1
I
47
J;
I
IOR,YA2A2
I
I
"X
P/U
XA2Al
1
I
c2
560p
OR
XA2(2I
15)'
12 R1 lk
133
R2
I
U1D
R5
A6
Cl
UlB
I
vIN--H
9
>
1060P
500
R4
136U
I
'I
I'
I
42 2k 141k
I
I
I
I
I
I
L--
J
-15V IF)
tf
4
1
I
,I
I,
IERllL
PREFlX
24501
SS2B
figure
8B-109
86-109

Related product manuals