EasyManua.ls Logo

HP CM1015 - Color Laserjet All - Page 194

HP CM1015 - Color Laserjet All
242 pages
Print Icon
To Next Page IconTo Next Page
To Next Page IconTo Next Page
To Previous Page IconTo Previous Page
To Previous Page IconTo Previous Page
Loading...
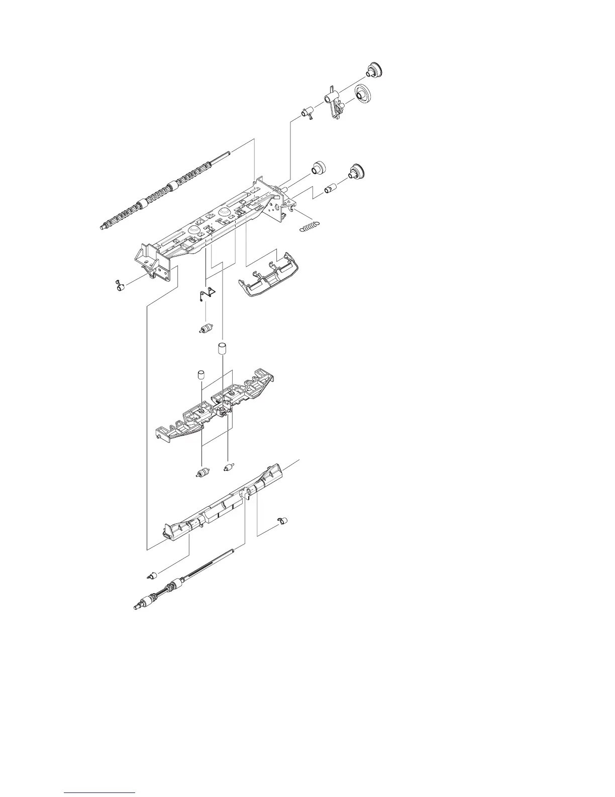
Figure 7-12 Face-up paper delivery assembly
184 Chapter 7 Parts and diagrams ENWW

Related product manuals