EasyManua.ls Logo

HT COMBI419 - Page 76

Default Icon
88 pages
Print Icon
To Next Page IconTo Next Page
To Next Page IconTo Next Page
To Previous Page IconTo Previous Page
To Previous Page IconTo Previous Page
Loading...
400 Series
EN - 75
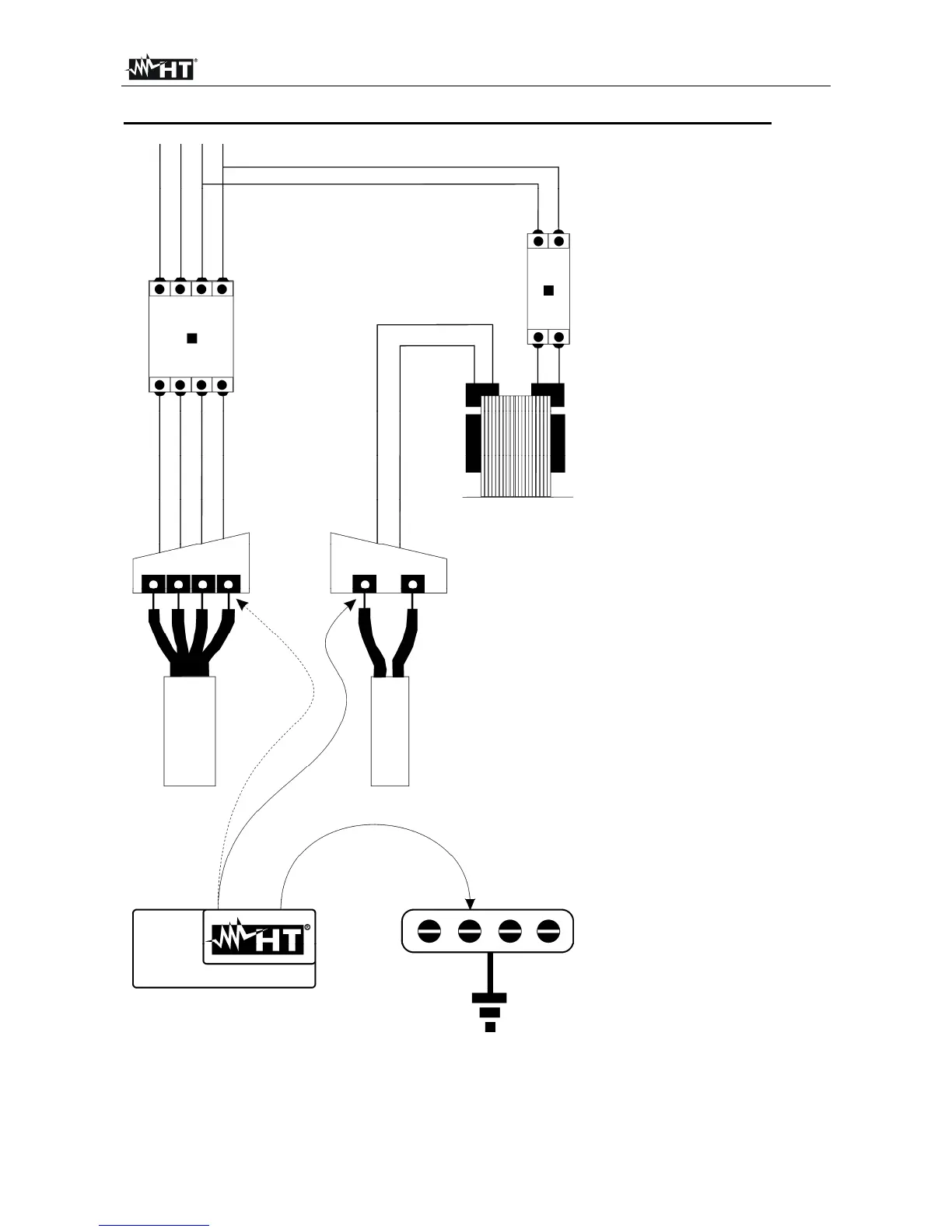
EXAMPLE OF CHECKING THE SEPARATION AMONG ELECTRICAL CIRCUITS
Insulation or safety transformer
separating the circuits
TEST BETWEEN ACTIVE PARTS
Connect an instrument probe to
one of the two conductors of the
separated circuit and the other to
one of the conductors of a non-
separated circuit
TEST BETWEEN ACTIVE PARTS
AND EARTH
Connect an instrument probe to
one of the two conductors of the
separated circuit and the other to
the equalizing potential node. This
test must be performed for SELV
circuits or circuits with electrical
separation only
Equalising potential node
Fig. 35: Measurement of separation among the installation circuits

Table of Contents

Related product manuals