EasyManua.ls Logo

HT ISO410 - Insulation Resistance Measurement

HT ISO410
88 pages
Print Icon
To Next Page IconTo Next Page
To Next Page IconTo Next Page
To Previous Page IconTo Previous Page
To Previous Page IconTo Previous Page
Loading...
400 Series
EN - 71
14.2. INSULATION RESISTANCE MEASUREMENT
14.2.1. Purpose of the test
Check that the insulation resistance of the installation complies with the requirements of
IEE 16
th
edition standard.
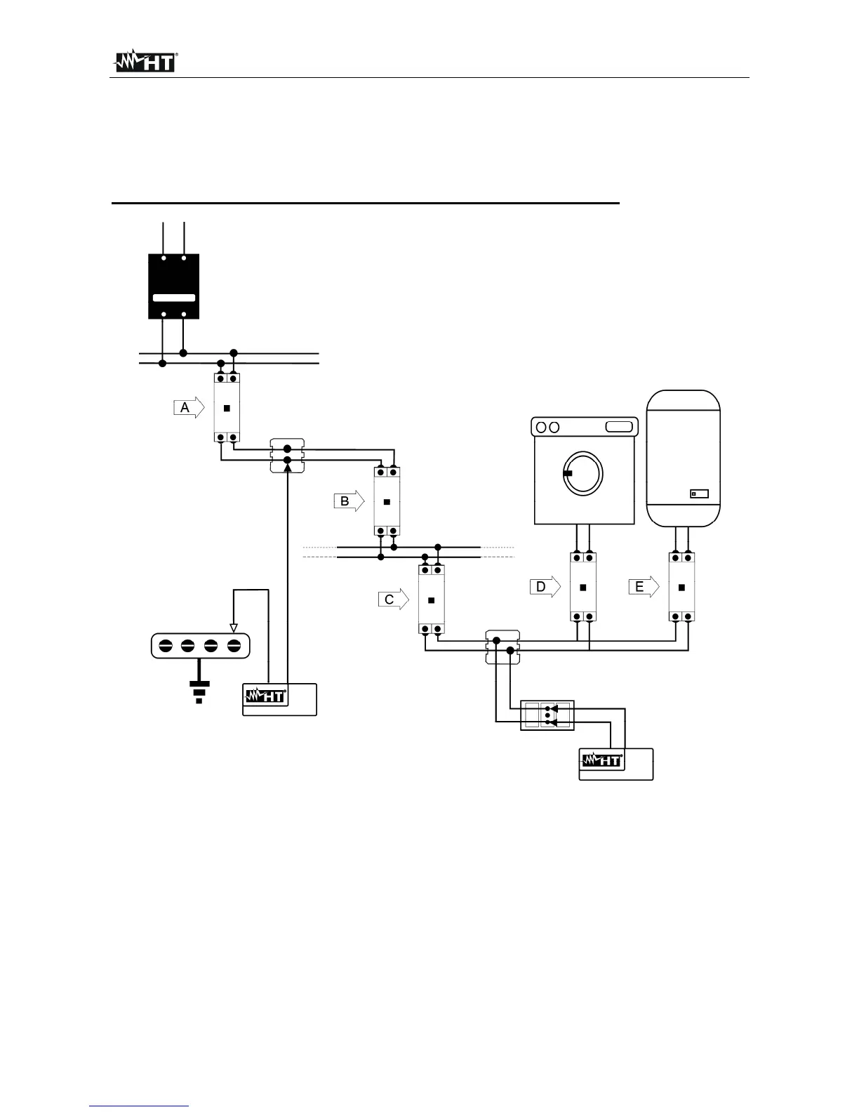
EXAMPLE OF INSULATION MEASUREMENT ON AN INSTALLATION
Fig. 34: Insulation measurements on an installation
The switches D and E are those installed near the load having the purpose of separating it
from the installation. In case the above said RCDs do not exist, or they are monophase, it
is necessary to disconnect the users from the installation before effecting the insulation
resistance test.
A procedure indicating how to effect the insulation resistance measurement on an
installation is reported in Tab. 3.

Table of Contents

Related product manuals