EasyManua.ls Logo

Hubbell HD - Page 18

Hubbell HD
36 pages
Print Icon
To Next Page IconTo Next Page
To Next Page IconTo Next Page
To Previous Page IconTo Previous Page
To Previous Page IconTo Previous Page
Loading...
18
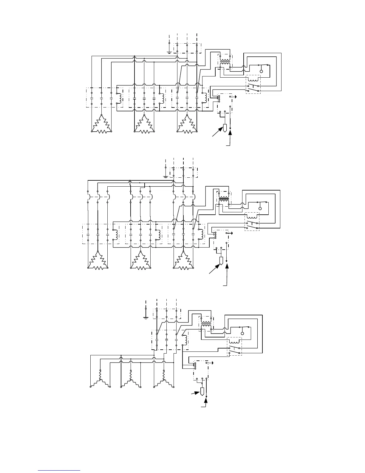
L1
L2
L3
J5
J3
J2
J7
Control
Module &
Display
Control & Hi-Limit
Probe
Leak Detection
Probe
16(WT)-HD
J5
J3
J2
J7
16(CBWT)-HD
L1
L2
L3
Control & Hi-Limit
Probe
Leak Detection
Probe
J5
J3
J2
J7
L1 L2 L3
Control
Module &
Display
Control & Hi-Limit
Probe
Leak Detection
Probe
Control
Module &
Display
18-HD
J8
J8
J8

Related product manuals