EasyManua.ls Logo

Hunter Aker - Adjusting Downrod Length; Downrod Removal and Reassembly; Downrod Safety Warning

Hunter Aker
12 pages
Print Icon
To Previous Page IconTo Previous Page
To Previous Page IconTo Previous Page
Loading...
11
PB
1886
1886
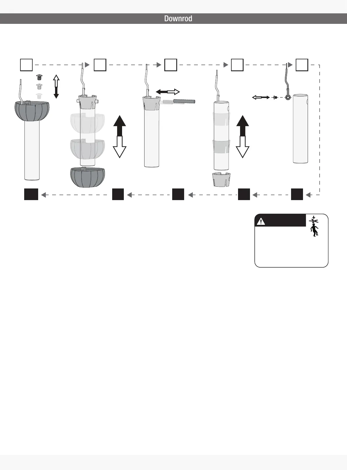
Downrod
If you need a different downrod length follow these steps:
Follow steps 1-5 to remove standard downrod pipe
Follow steps 6-10 to reassemble with new downrod
1 2 3 4 5
678910
WARNING
FAN FALL HAZARD
To prevent SERIOUS INJURY or DEATH:
ALWAYS follow the downrod assembly
instructions exactly.
VERIFY the downrod is assembled correctly
by rmly pulling on the hanger ball.

Related product manuals