EasyManua.ls Logo

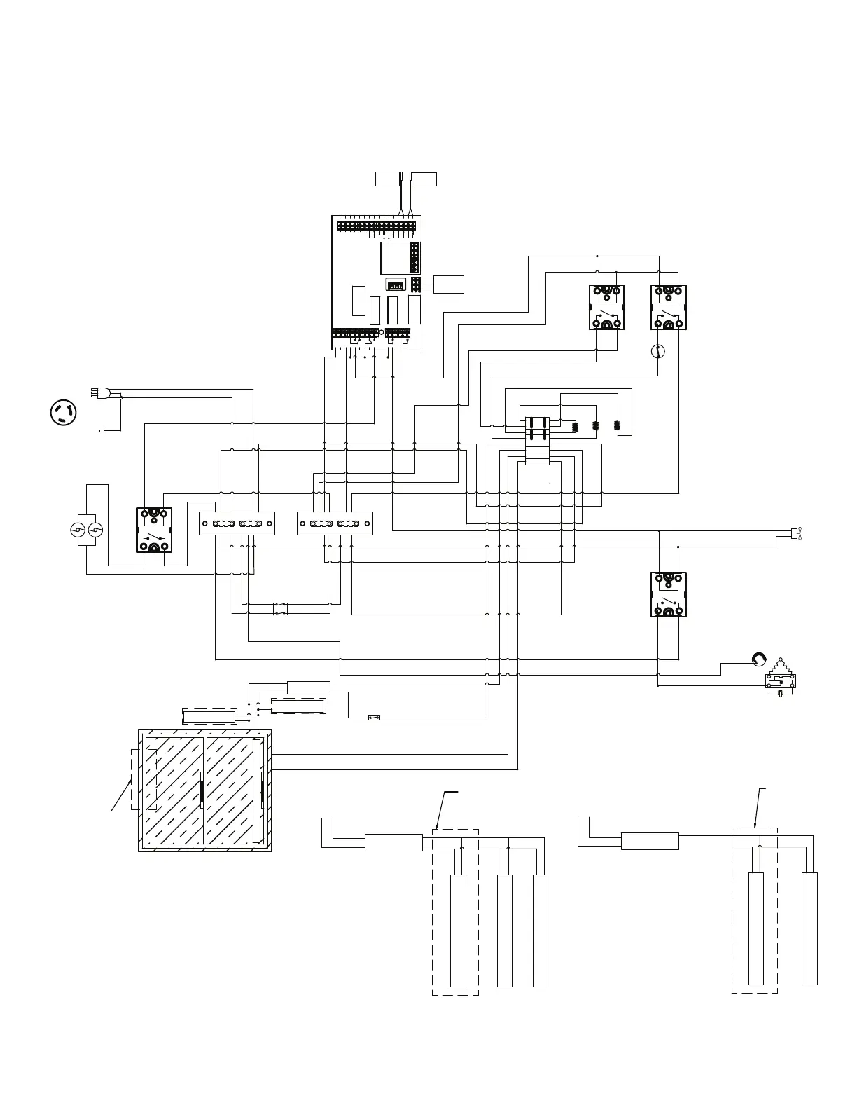
Hussmann microSC VRL3B - VRL2 B and VRL1 B Wiring Diagram

Hussmann microSC VRL3B
46 pages
Print Icon
To Next Page IconTo Next Page
To Next Page IconTo Next Page
To Previous Page IconTo Previous Page
To Previous Page IconTo Previous Page
Loading...
P/N 3034040_H U.S. & Canada 1-800-922-1919 • Mexico 1-800-890-2900 • www.hussmann.com
44 tEchnIcal InforMatIon
INSTRUCTION-WIRE CONN 1 & 2 DR
WARNING
UNPLUG THE UNIT BEFORE SERVICING.
ADVERTENCIA:
DESCONECTE EL EQUIPO ANTES DE
REALIZAR
CUALQUIER SERVICIO O MANTENIMIENTO.
ELECTRICAL SPECS
MODEL VRL1,2
VOLTAGE 208-230 V
FRECUENCY 60 HZ
BK= BLACK
BL= BLUE
R= RED
BW=BROWN
WH=WHITE
C
E
N
T
E
R
L
E
D
DOORS AND FRAME HEATERS
B KR
BL
R
LIGTHS
LIGHT
SWITCH
LED DISPLAY
FRAME
HEATER
ELEC-TRON
3-S-226
1 2
7 8
3 4
9 10
11 12
23 24
25 26
R
BK
COMPRESSOR
RELAY
OUT3
OUT2
OUT1
OUT4
RS-485
MODULE
RTN400 SM
OUT2
OUT3
OUT1 OUT4
LINE
1 2 3 4 5 6 7 8 9 10 11 12
13
14
181920
21
22
232425
2 62 7
28
29
303132
33
GND
D
GND
D
OC
12V
TTL
OPTIONAL
SENSOR TEMP
DEFROST
ORANGE
12V
D
GND
KEYB
15 cm.
MAX.
NEUTRO
NEUTRO
NO
DEFROST
RELAY
NO
INPUT
OUTPU T
NO
POWER SUPPLY
COMPRESSOR LH
CURRENT
RELAY
S
R
C
12
1
2
3
PB1
PB2
LED
INPUT
OUTPU T
LED
INPUT
OUTPUT
LED
SENSOR TEMP
AIR
GREEN
RELAY 3
RELAY 2
1
3
4
RELAY 1
E
N
D
L
E
D
2
1
3
4
2
1
3
4
2
HTR LIMIT
SWITCH
2
1
2b
1b
1
2
3
4
5
30 A.
6
7
8
DEFROST
HTR
TUBE
DRAIN
PAN
DRAIN
1 FAN
COND.
R
BK
R BK BK
R
BK
BK
BK
R R
BK
BK
R
BK
BK
R
R
R
BK
R
R
BK
BK
BW
R
WH
R
R
R
R
BK
BK
BK
R
R
BK
BK
BK
R
R
RR
BK
BK
ELEC-TRON
3-S-226
1 2
7 8
3 4
5 6
9 10
11 12
23 24
25 26
R
BK
MAIN
SWITCH
SIGNALLOAD
R R BK BK
BK
R R
BK
BKR RR
BL (-)
R (+)
POWER SUPPLY
LINE 1
NEUTRO (LINE2)
BK
W
CENTER LED
END LED
BL (-)
R (+)
POWER SUPPLY
LINE 1 NEUTRO (LINE2)
BK
W
END LED
LED DISPLAY
BK
BK
BK
R
R
5 6
END LED
END LED
E
N
D
L
E
D
NOTE:
OPTIONAL LED DISPLAY
NOTE:
OPTIONAL LED DISPLAY
OPTIONAL
3037551_P
VRL2B
VRL1B
R
EVAP. FANS
NO
INPUT
OUTPU T
LED
1
3
4
2
NEMA
L6-15P
GRN
208-230 V
60HZ
1HP
BK
R
EVAP FAN
RELAY
BK
BK
R
RELAY 4
R
R
LED DISPLAY QTY NOTE:
WHEN IS A 2 DOOR EQUIPMENT: 1 LED
WHEN IS A 1 DOOR EQUIPMENT: 2 LED

Related product manuals