EasyManua.ls Logo

Hytera RD985 - Page 211

Hytera RD985
333 pages
Print Icon
To Next Page IconTo Next Page
To Next Page IconTo Next Page
To Previous Page IconTo Previous Page
To Previous Page IconTo Previous Page
Loading...
Service Manual
208
rge pump is 5V. See the following figure:
divider, phase detector, charge pump and etc. The voltage of analog circuit and digital circuit of PLL IC is
3.3V voltage, while the voltage of cha
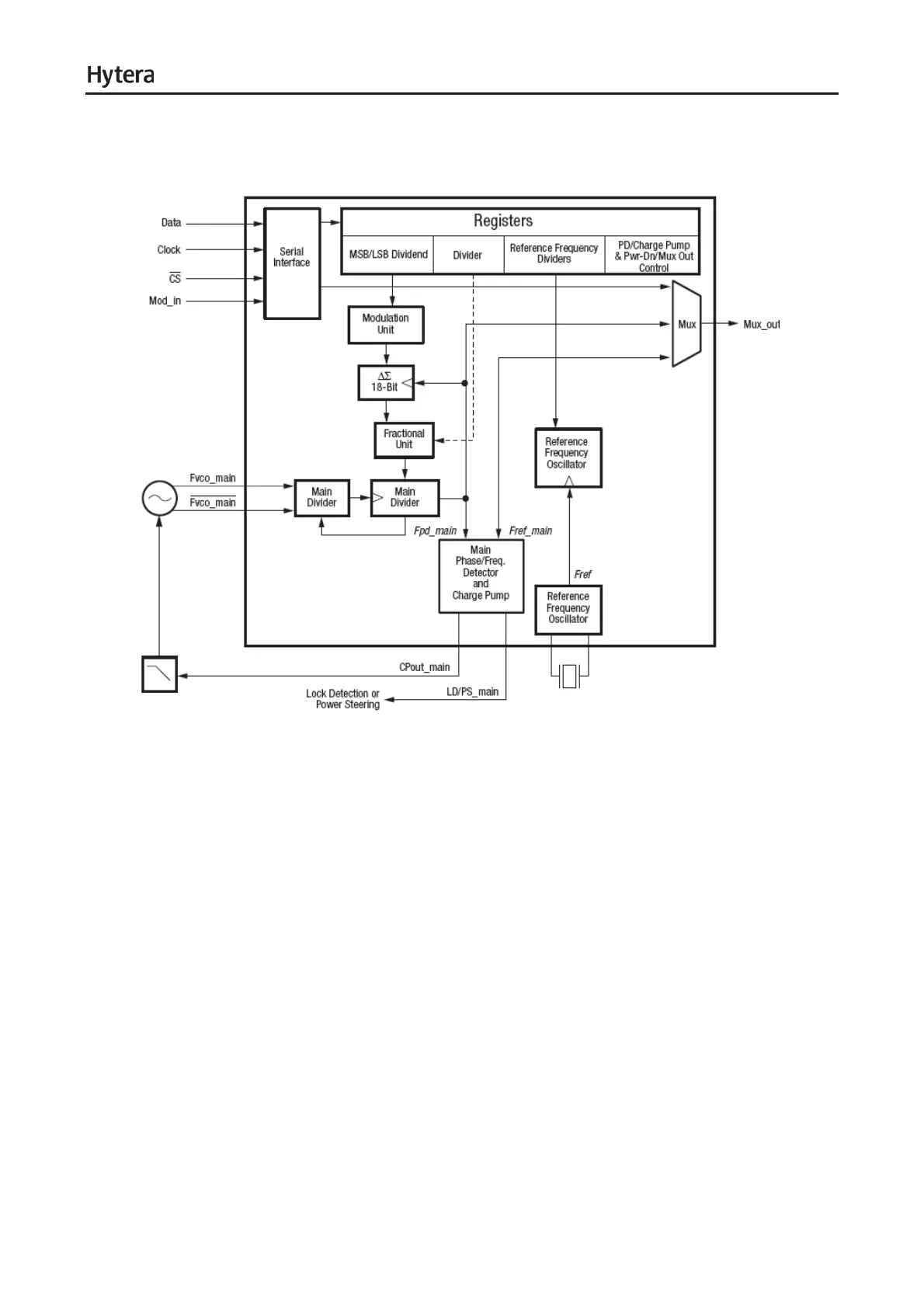
Figure 11-6 Block Diagram of PLL IC
SKY72310’s role is to generate appropriate frequency based on the data transmitted by OMAP of
baseband board. The 19.2MHz frequency generated by the reference crystal oscillator goes into the PLL,
to generate the reference frequency. Meanwhile, the frequency generated by VCO goes into PLL for
frequency division. The resulting frequency will be compared with reference frequency in terms of phase
difference in the phase detector. After comparison, the resulting frequency is converted to CV voltage via
the loop filter, to control the output nt of the modulation
ain data from the MCSI port of OMAP for modulation.
two transistors (Q101 and Q107), a varactor and four Colpitts
frequency of VCO. In addition, as a key compone
circuit, PLL can directly obt
VCO
The VCO for RX unit comprises two transistors (Q101 and Q107), a varactor and four Colpitts oscillators.
Q105 and Q106 are the buffer amplifiers for the RX unit.
The VCO for exciter unit comprises
oscillators. Q105 and Q106 are the buffer amplifiers for the exciter unit.

Other manuals for Hytera RD985

Related product manuals