EasyManua.ls Logo

Hytera RD985 - Page 270

Hytera RD985
333 pages
Print Icon
To Next Page IconTo Next Page
To Next Page IconTo Next Page
To Previous Page IconTo Previous Page
To Previous Page IconTo Previous Page
Loading...
Service Manual
267
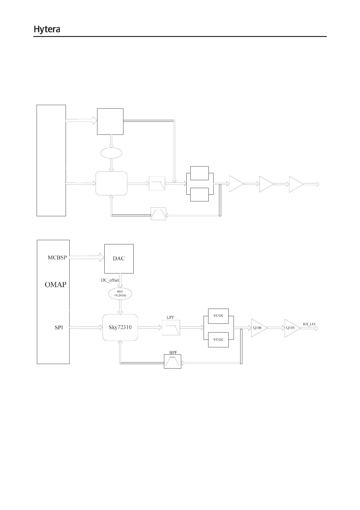
t different frequencies.
other is TX FGU providing carrier and exciter signal for the TX system. They work simultaneously, but
are locked a
Both RX FGU and TX FGU mainly consist of a reference crystal oscillator, a PLL, a VCO and a buffer
amplifier. The PLL data is configured via OMAP.
DC_offset
OMAP
LPF
MCSI
MCBSP
LD/
REF
19.2MHz
DAC
MOD_H
Sky72310
MOD_H
VCO1
VCO2
TX PA
Q106
Q105
Q108
BPF
Figure 12-4 Block Diagram of Transmitter
Figure 12-5 Block Diagram of Receiver
utput by the digital-to-analog
converter, so as to ensure frequency accuracy.
Reference Oscillator
The reference crystal oscillator is a temperature compensated crystal oscillator with a frequency of
19.2MHz. You can control the oscillator by adjusting the DC voltage o
PLL IC
The PLL is a fractional frequency divider (SKY72310), which consists of the pre-divider, programmable

Other manuals for Hytera RD985

Related product manuals