EasyManua.ls Logo

Hytera RD985 - Page 36

Hytera RD985
333 pages
Print Icon
To Next Page IconTo Next Page
To Next Page IconTo Next Page
To Previous Page IconTo Previous Page
To Previous Page IconTo Previous Page
Loading...
5
5
4
4
3
3
2
2
1
1
D D
C C
B B
A A
DB26_MIC
3V3A
1V8D
3V3D
3V3A
1V8D
9V3A
VAG
3V3A
VAG 9d3V
9d3VVAG
9d3V
9d3V
5V_GPS
9d3V
9d3V
VAG
VAG
9d3V
VAG
9d3V
5V_GPS
9d3V
uW_CS0_CODEC
CODEC_SSI_WCLK
CODEC_SSI_DO
CODEC_SDO
/CODEC_DAV
CODEC_SCLK
CODEC_CLK
CODEC_SSI_DI
CODEC_PWT
CODEC_SSI_BCLK
CODEC_SDI
/CODEC_PDN
/CODEC_RST
AUDIO_PA_EN
SPKR-
SPKR+
RX_AUDIO_FLAT
Slot1_EN
RX_AUDIO_MUTE
SlotA_Audio
SlotB_Audio
MMP10_SPK_AUDIO
Slot2_EN
REAR_MIC
FNT_MIC
MIC_GROUND
MIC_GND_DB26
RX_FLITER_AUDIO_SPK
RX_FLITER_AUDIO_SPK
DB26_Ext_Mic_IN
MMP10_Mic_IN
EXT_MIC_CTRL
REAR_MIC
FNT_MIC
add
add
add
RX Audio active high
Slot1 active high
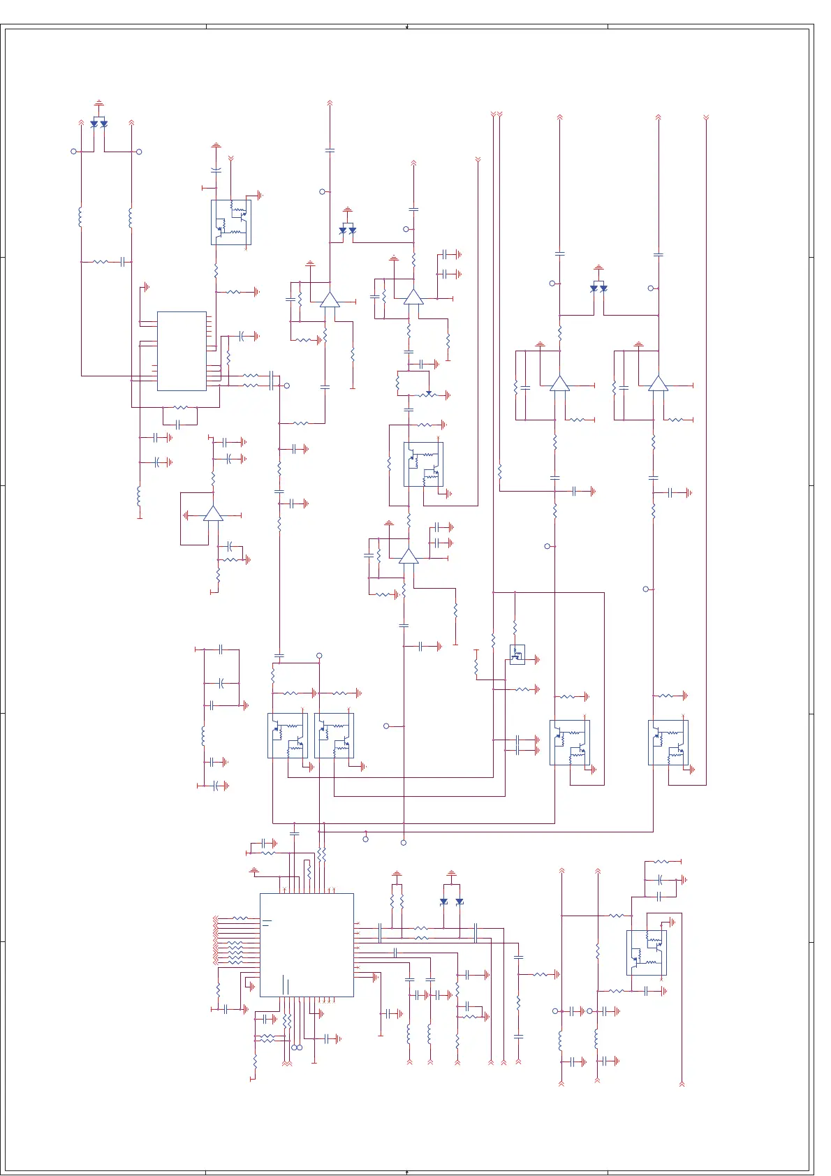
5'෎ᏺЏᵓ⧚೒˄&2'(&ঞ䷇乥ᬒ໻⬉䏃˅
R572 0R572 0
+
C503
22uF/10V
+
C503
22uF/10V
12
R677 0R677 0
TP516TP516
1
R534 0R534 0
TP510TP510
1
R531 NCR531 NC
R585
NC
R585
NC
Q501
UMC4N
Q501
UMC4N
1
2
3 4
5
TP512TP512
1
R560
470
R560
470
TP508TP508
1
D501
MMBZ20V
D501
MMBZ20V
TP507TP507
1
C513
1uF
C513
1uF
R519
0
R519
0
C516
1u
C516
1u
TP506TP506
1
C563 22uFC563 22uF
R547 30KR547 30K
R503
270K
R503
270K
R570
30K
R570
30K
TP503TP503
1
R530
39K
R530
39K
C548 10uFC548 10uF
C697
1u
C697
1u
C529 100pFC529 100pF
R584 0R584 0
R526
100K
R526
100K
L505
BLM18BD601SN1D
L505
BLM18BD601SN1D
R524
0
R524
0
C505
0.1u
C505
0.1u
C531
0.01U
C531
0.01U
C517 NCC517 NC
C532 22uFC532 22uF
R541
NC
R541
NC
C519 100pFC519 100pF
R565
1K
R565
1K
+
-
U503D
NJM2902V
+
-
U503D
NJM2902V
14
4 11
12
13
C545
1u
C545
1u
R529
NC
R529
NC
C504
0.1u
C504
0.1u
R528
NC
R528
NC
C550
0.1u
C550
0.1u
C501
0.1u
C501
0.1u
D502
EDZTE613.6B
D502
EDZTE613.6B
12
L504
BLM18BD601SN1D
L504
BLM18BD601SN1D
C698
1u
C698
1u
C692
1000pF
C692
1000pF
R54010K R54010K
C542
0.1u
C542
0.1u
R525
0
R525
0
NC10K NC10K
R573
100K
R573
100K
C507
0.01u
C507
0.01u
R548
30K
R548
30K
C544
220P
C544
220P
C695
NC
C695
NC
R509 33R509 33
+
C690
10uF/16V
+
C690
10uF/16V
12
L508
BLM18PG300SN1
L508
BLM18PG300SN1
C693
1000P
C693
1000P
R520
0
R520
0
TP505TP505
1
R516
0
R516
0
C518
1000p
C518
1000p
C512
0.1u
C512
0.1u
R53910K R53910K
C527
0.1u
C527
0.1u
R579
0
R579
0
+
C508
10uF/16V
+
C508
10uF/16V
12
U502
TDA8547TS
U502
TDA8547TS
GND1
1
NC
2
OUT1+
3
MODE
4
SVRR
5
SELECT
6
NC
7
OUT2+
8
NC
9
GND2
10
VCC2
11
NC
12
OUT2-
13
IN2-
14
IN2+
15
IN1+
16
IN1-
17
OUT1-
18
NC
19
VCC1
20
C535
0.1U
C535
0.1U
R513
4.7K
R513
4.7K
C558
220P
C558
220P
TLV320AIC29IRGZR
U501
TLV320AIC29IRGZR
U501
IOVDD
1
PWR_DN
2
RESET
3
GPIO2
4
GPIO1
5
AVDD2
6
AVSS2
7
AVDD1
8
NC
9
NC
10
NC
11
NC
12
AVSS1
13
VREF
14
VBAT
15
AUX2
16
AUX1
17
BUZZ_IN/CP_INN
18
CP_OUTP
19
CP_INP
20
MICIN_HND
21
MICBIAS_HND
22
MICIN_HED
23
MICBIAS_HED
24
MIC_DET
25
OUT32N
26
SPK1
27
SPK2
28
DRVDD
29
SPKFC
30
VGND/CP_OUTN
31
DRVSS1
32
OUT8N
33
BVDD
34
OUT8P
35
DRVSS2
36
DAV
37
SS
38
MOSI
39
MISO
40
SCLK
41
MCLK
42
SDOUT
43
SDIN
44
WCLK
45
BCLK
46
DVDD
47
DVSS
48
T-PAD
49
R568
100K
R568
100K
R511 33R511 33
R586 1KR586 1K
R580
0R
R580
0R
R518
100K
R518
100K
+
-
U504A
NJM2902V
+
-
U504A
NJM2902V
1
4 11
3
2
C713
330pF
C713
330pF
C553 10uFC553 10uF
+
C541
10u/16V
+
C541
10u/16V
12
L503 BLM41PG600SN1L503 BLM41PG600SN1
C561
NC
C561
NC
L501
BLM18PG181SN1D
L501
BLM18PG181SN1D
R522
10K
R522
10K
+
C506
10uF/16V
+
C506
10uF/16V
12
R523
0R
R523
0R
R515
10K
R515
10K
L507
BLM18PG181SN1D
L507
BLM18PG181SN1D
R508 33R508 33
+
-
U503A
NJM2902V
+
-
U503A
NJM2902V
1
4 11
3
2
L502 BLM41PG600SN1L502 BLM41PG600SN1
C534 22uFC534 22uF
C526
1u
C526
1u
C524
1u
C524
1u
R675
0
R675
0
R583
10K
R583
10K
R577
NC
R577
NC
R505
47K
R505
47K
TP515TP515
1
R549
27K
R549
27K
C522 22uFC522 22uF
C521
0.1u
C521
0.1u
TP504TP504
1
C547 33pC547 33p
R550 15KR550 15K
TP502TP502
1
TP501TP501
1
R506
47K
R506
47K
+
C509
47uF/16V
+
C509
47uF/16V
12
R535
100K
R535
100K
R3067
NC
R3067
NC
1 2
3
R533
10K
R533
10K
C536
100P
C536
100P
R542 150KR542 150K
Q502
UMC4N
Q502
UMC4N
1
2
34
5
R574
0R
R574
0R
R569
0R
R569
0R
C557
1u
C557
1u
R532 0R532 0
+
-
U504B
NJM2902V
+
-
U504B
NJM2902V
7
4 11
5
6
TP509TP509
1
C514
1uF
C514
1uF
C520
NC
C520
NC
C539
220P
C539
220P
R507 33R507 33
R696
560R
R696
560R
C528 330pFC528 330pF
R543
10K
R543
10K
C546
1u
C546
1u
R559 15KR559 15K
R514
10K
R514
10K
R567 10KR567 10K
C691
1U
C691
1U
D503 EDZTE613.6BD503 EDZTE613.6B
12
C540
220P
C540
220P
Q508
UMC4N
Q508
UMC4N
1
2
3 4
5
C538
1u
C538
1u
C551
100P
C551
100P
R537
0R
R537
0R
R546
30K
R546
30K
C533 22uFC533 22uF
TP513TP513
1
Q503
UMC4N
Q503
UMC4N
1
2
3 4
5
C502
0.1uF
C502
0.1uF
C543
220P
C543
220P
R592 NCR592 NC
R561 1KR561 1K
C511
0.1u
C511
0.1u
R571 10KR571 10K
C555
0.1u
C555
0.1u
DTC114EE
Q506
DTC114EE
Q506
3
1
2
Q505
UMC4N
Q505
UMC4N
1
2
3 4
5
C523 22uFC523 22uF
R564
150K
R564
150K
+
C556
10uF/16V
+
C556
10uF/16V
12
C549 10uFC549 10uF
C515
1U
C515
1U
C560
220P
C560
220P
R517
100K
R517
100K
TP511TP511
1
C554 10uFC554 10uF
R504
2.2K
R504
2.2K
D504
MMBZ20V
D504
MMBZ20V
C552 330PC552 330P
C694
1000pF
C694
1000pF
R575 NCR575 NC
Q507
UMC4N
Q507
UMC4N
1
2
34
5
R582
1K
R582
1K
C559
1u
C559
1u
C530
0.01U
C530
0.01U
R5631K R5631K
R501
0
R501
0
R810
560R
R810
560R
TP514TP514
1
TP517TP517
1
R510 33R510 33
R566
0
R566
0
+
-
U504C
NJM2902V
+
-
U504C
NJM2902V
8
4 11
10
9
R512
1K
R512
1K
R676
NC
R676
NC
R544
47K
R544
47K
+
C510 10uF/16V
+
C510 10uF/16V
1 2
C537
1u
C537
1u
D505
MMBZ20V
D505
MMBZ20V
Q504
UMC4N
Q504
UMC4N
1
2
3 4
5
C525
1u
C525
1u
R594
100K
R594
100K
+
-
U503C
NJM2902V
+
-
U503C
NJM2902V
8
4 11
10
9
L506
BLM18PG300SN1
L506
BLM18PG300SN1
R562
47K
R562
47K
5';6FKHPDWLF'LDJUDP%DVHEDQGB&2'(&$XGLR$PSOLILHU&LUFXLW


Other manuals for Hytera RD985

Related product manuals