EasyManua.ls Logo

IBC HC 33-160 - Page 39

Default Icon
80 pages
Print Icon
To Next Page IconTo Next Page
To Next Page IconTo Next Page
To Previous Page IconTo Previous Page
To Previous Page IconTo Previous Page
Loading...
1-33
INSTALLATION
HC SERIES BOILERS HC 13-50, HC 23-84, HC 29-106, HC 33-124, HC 20-125, HC 33-160
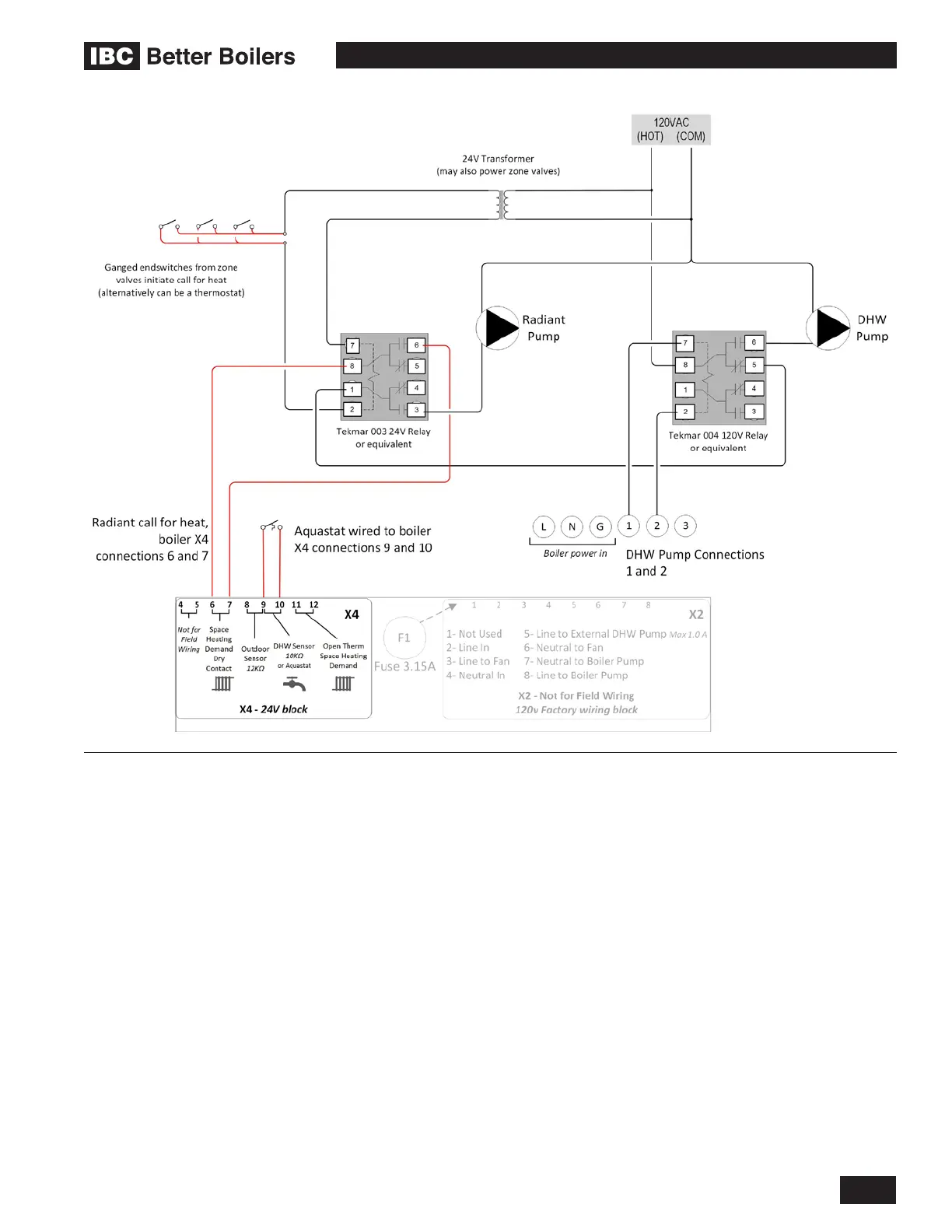
Figure 37: Suggested Field Wiring for Space Heating

Related product manuals