EasyManua.ls Logo

ICAN SEH400RB - Output Circuit Descriptions

ICAN SEH400RB
17 pages
Print Icon
To Next Page IconTo Next Page
To Next Page IconTo Next Page
To Previous Page IconTo Previous Page
To Previous Page IconTo Previous Page
Loading...
Brushless Motor Driver SEH400RB
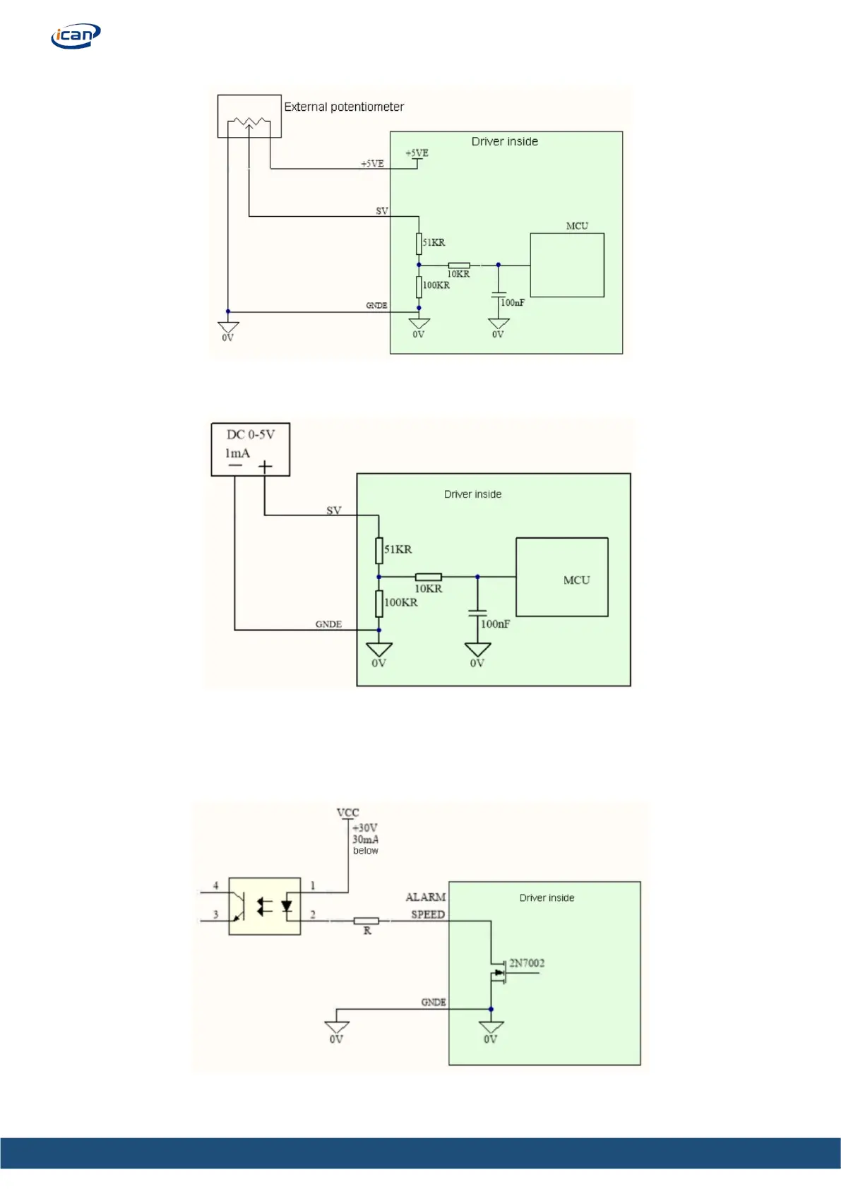
The external potentiometer SV input wiring is shown below
The external analog SV input wiring is shown below:
4.4 Output circuit description
ALM and SPD terminals as below, its connection mode with PLC is related to the type of PLC input
terminal.