EasyManua.ls Logo

Icematic M192 - WIRING DIAGRAM; WIRING DIAGRAM M132

Icematic M192
32 pages
Print Icon
To Next Page IconTo Next Page
To Next Page IconTo Next Page
To Previous Page IconTo Previous Page
To Previous Page IconTo Previous Page
Loading...
English
17
SERVICE MODULARI 06/2014
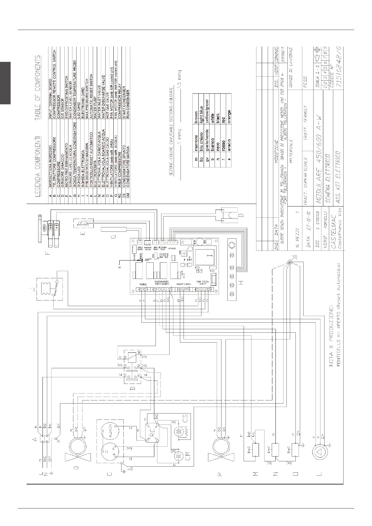
7. WIRING DIAGRAM
Wiring Diagram M132
220V / 50Hz / 1ph

Related product manuals