EasyManua.ls Logo

Icematic M192 - WIRING DIAGRAM M202 - M302 -M402

Icematic M192
32 pages
Print Icon
To Next Page IconTo Next Page
To Next Page IconTo Next Page
To Previous Page IconTo Previous Page
To Previous Page IconTo Previous Page
Loading...
English
19
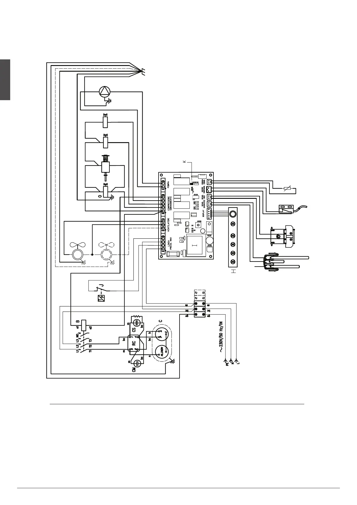
SERVICE MODULARI 06/2014
A - Input terminal board
B- Compressor remote control switch
C- Compressor
D- Ice sensor
E- End defrosting switch
F- Water level sensor
G- Condenser temperature probe
H- Led card
I-Electronic card
J- Max pressure switch
K- Automatic reset switch
L- Water pump
M- Water inlet valve
N- Water discharge valve
O- Hot gas valve
SP- Solenoid harv assist
P- Fan Motor (only AIR cooled unit)
Q- Fan Motor (only WATER cooled unit)
RC
- Compressor relay
CS
- Start condenser
CM
- Run condenser
m=brown
bc = light blue
gv = yellow green
b=white
n=black
r=red
a
= orange
v=viola
L
SP
F
E
G
v
v
bc
m
bc
n
b
r
a
m
n
bc
n
n
n
bcm
bc
n
bc
n
v
v
N
b
bc
M
r
bc
D
m
P1
P2
A
Wiring Diagram M202 - M302 -M402
220V / 50Hz / 1ph

Related product manuals