EasyManua.ls Logo

Icematic M202 - Water Level Sensor

Icematic M202
32 pages
Print Icon
To Next Page IconTo Next Page
To Next Page IconTo Next Page
To Previous Page IconTo Previous Page
To Previous Page IconTo Previous Page
Loading...
English
18
SERVICE MODULARI06/2014
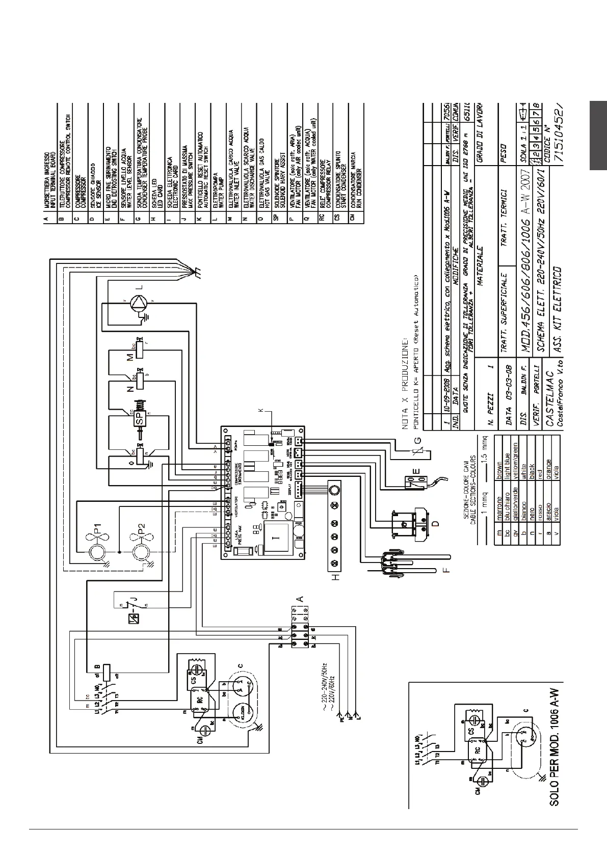
Wiring Diagram M192
220V / 50Hz / 1ph

Related product manuals