EasyManua.ls Logo

Icematic M202 - Water Inlet Solenoid Valve

Icematic M202
32 pages
Print Icon
To Next Page IconTo Next Page
To Next Page IconTo Next Page
To Previous Page IconTo Previous Page
To Previous Page IconTo Previous Page
Loading...
English
17
SERVICE MODULARI 06/2014
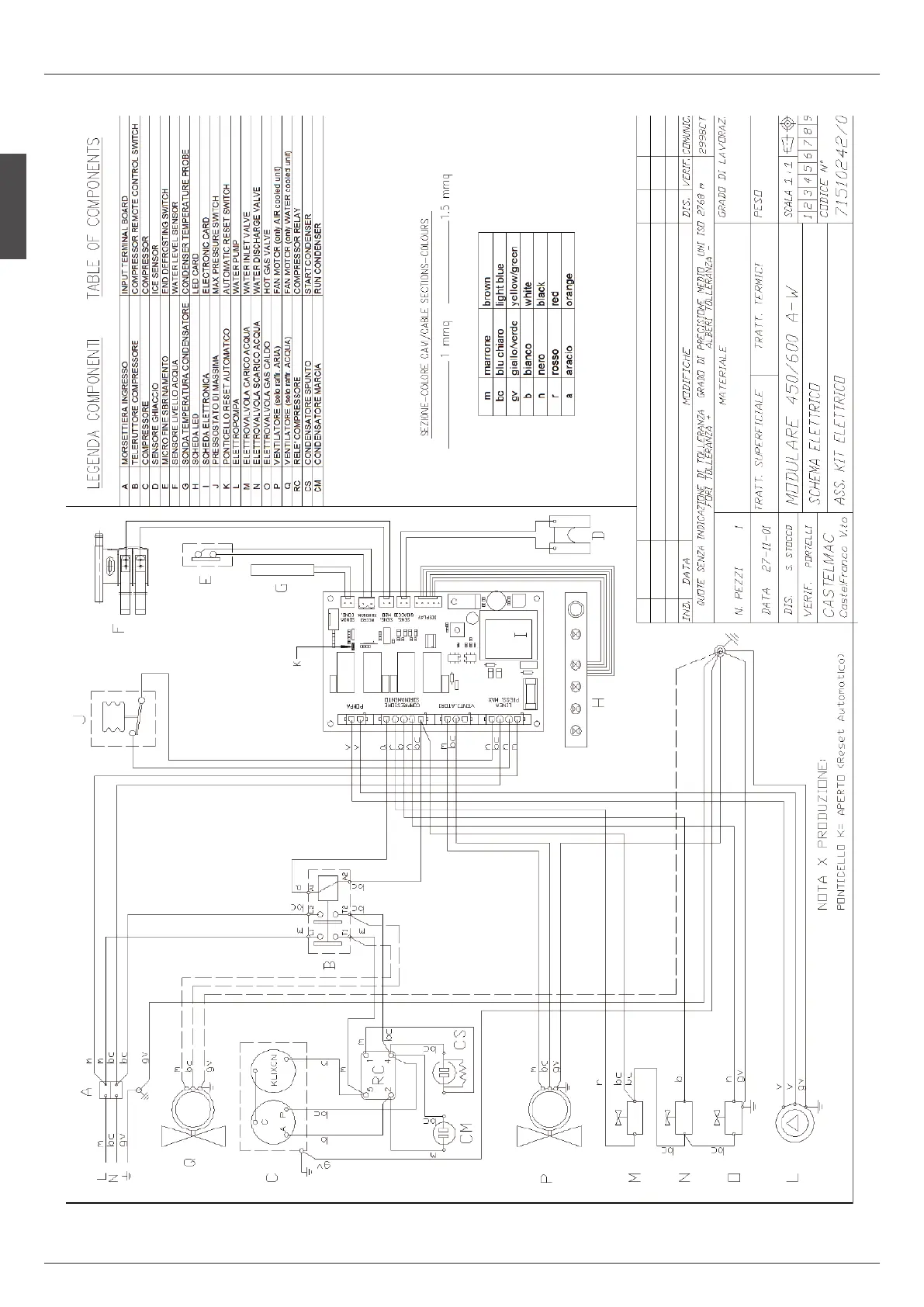
7. WIRING DIAGRAM
Wiring Diagram M132
220V / 50Hz / 1ph

Related product manuals