EasyManua.ls Logo

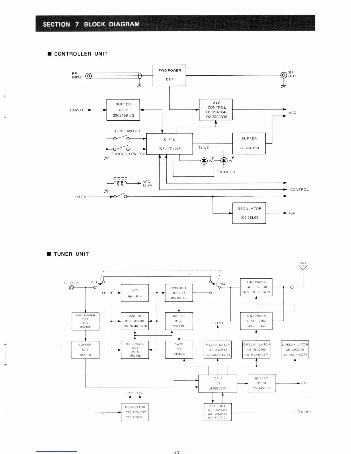
Icom AH-2 - SECTION 7 BLOCK DIAGRAM; Controller Unit Block Diagram; Tuner Unit Block Diagram

Icom AH-2
21 pages
Print Icon
To Next Page IconTo Next Page
To Next Page IconTo Next Page
To Previous Page IconTo Previous Page
To Previous Page IconTo Previous Page
Loading...

Other manuals for Icom AH-2

Related product manuals