EasyManua.ls Logo

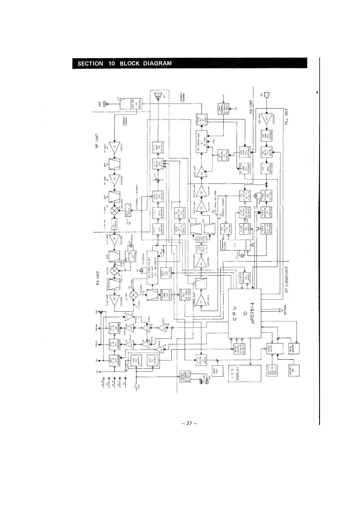
Icom IC-1200A - Block Diagram

Icom IC-1200A
32 pages
Print Icon
To Next Page IconTo Next Page
To Next Page IconTo Next Page
To Previous Page IconTo Previous Page
To Previous Page IconTo Previous Page
Loading...
Scanned by IW1AXR
Downloaded by
Amateur Radio Directory

Related product manuals