EasyManua.ls Logo

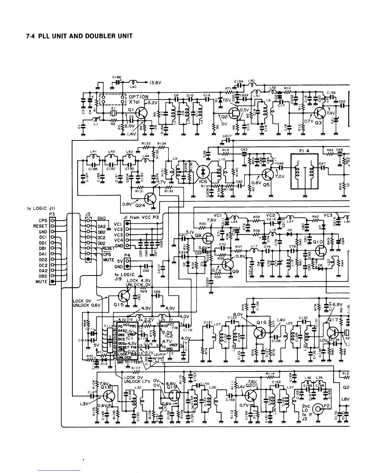
Icom IC-1271A - 7-4 PLL Unit and Doubler Unit

Icom IC-1271A
190 pages
Print Icon
To Next Page IconTo Next Page
To Next Page IconTo Next Page
To Previous Page IconTo Previous Page
To Previous Page IconTo Previous Page
Loading...

Related product manuals