EasyManua.ls Logo

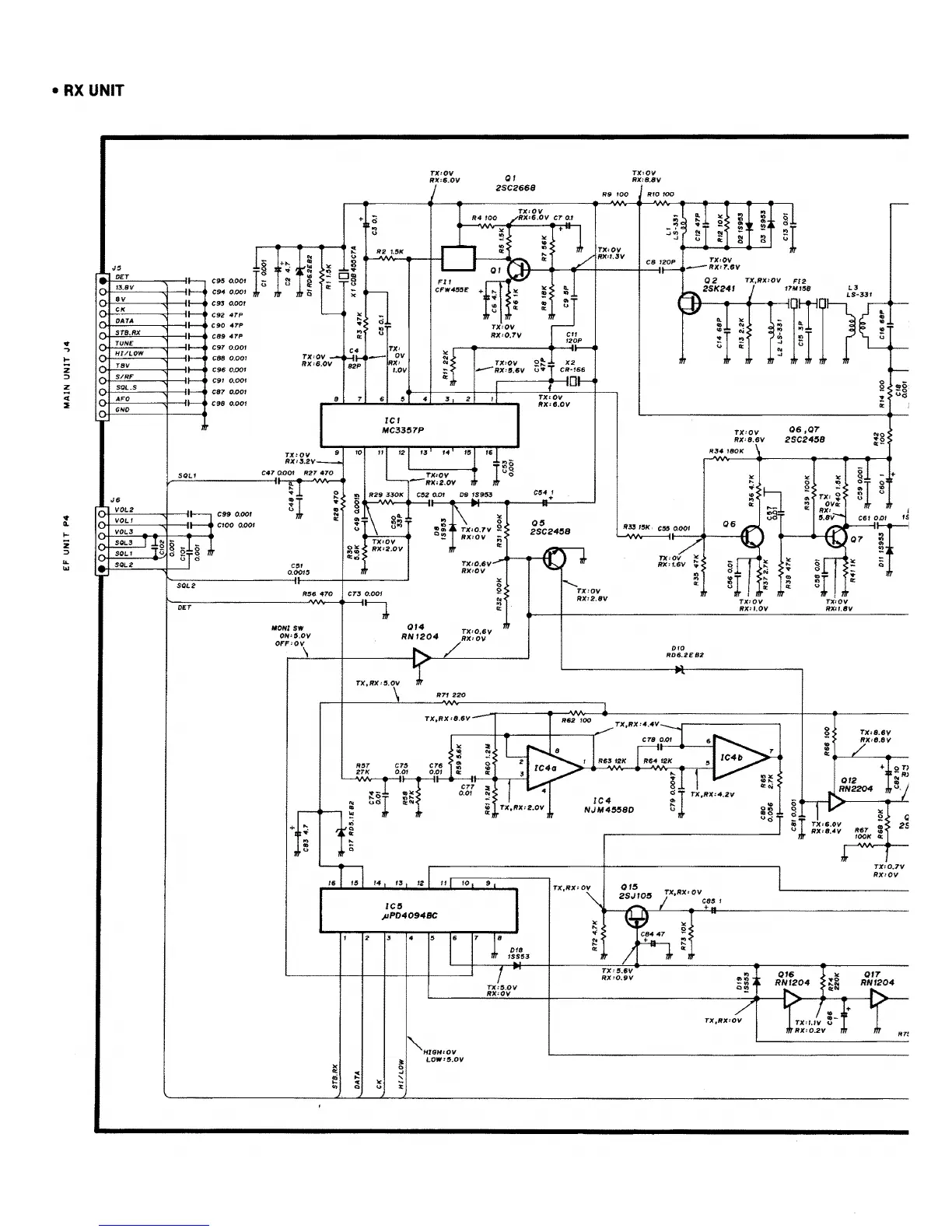
Icom IC-228A - RX UNIT VOLTAGE DIAGRAM

Icom IC-228A
57 pages
Print Icon
To Next Page IconTo Next Page
To Next Page IconTo Next Page
To Previous Page IconTo Previous Page
To Previous Page IconTo Previous Page
Loading...

Other manuals for Icom IC-228A

Related product manuals