EasyManua.ls Logo

Icom IC-2E - Page 57

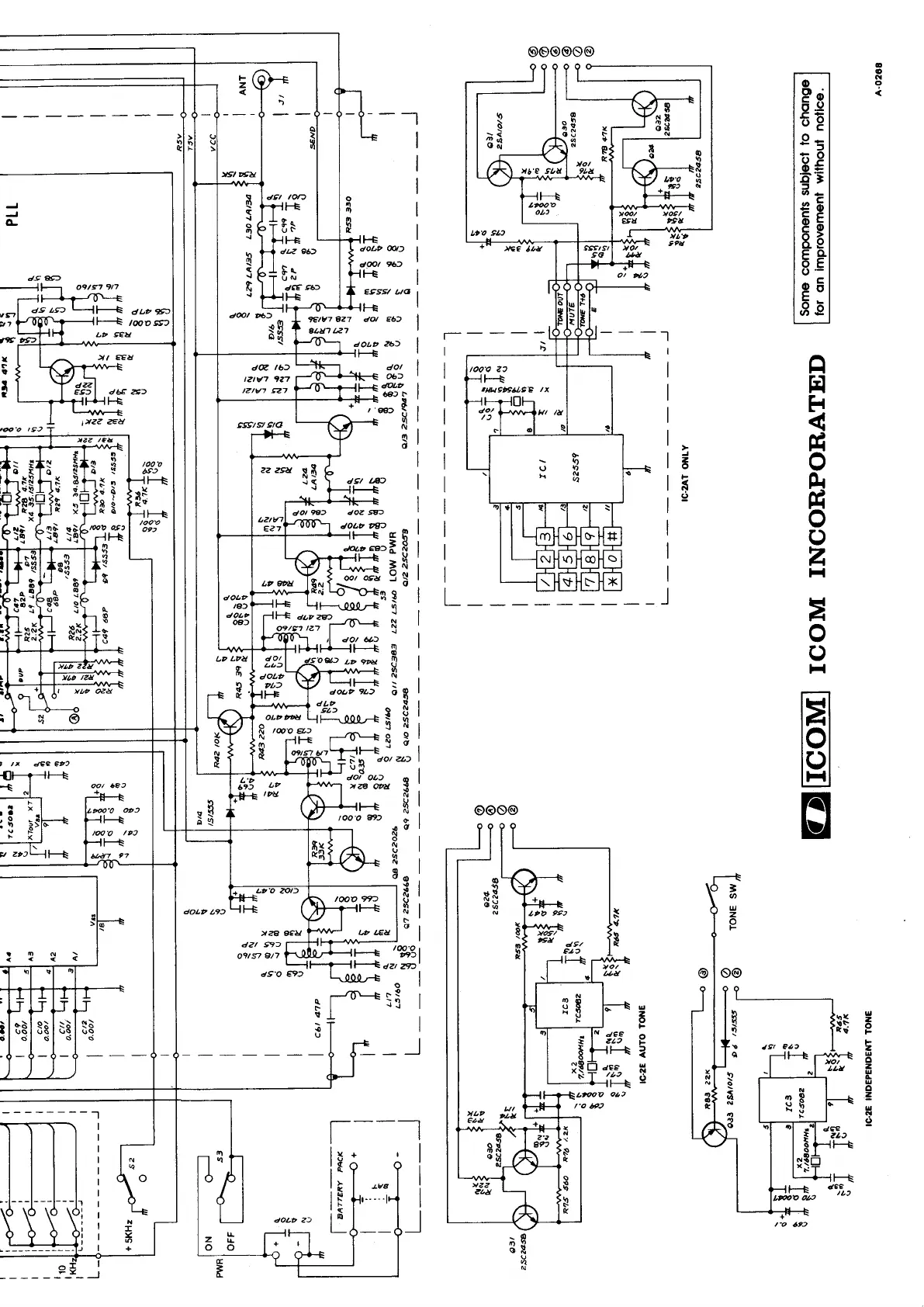
Icom IC-2E
57 pages
Print Icon
To Previous Page IconTo Previous Page
To Previous Page IconTo Previous Page
Loading...

Table of Contents

Related product manuals