EasyManua.ls Logo

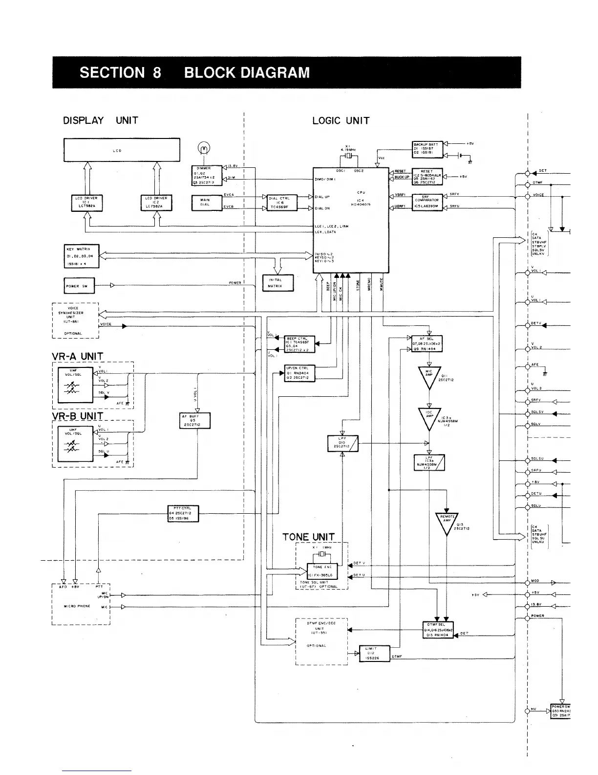
Icom IC-3230H - Block Diagram; Display Unit

Icom IC-3230H
68 pages
Print Icon
To Next Page IconTo Next Page
To Next Page IconTo Next Page
To Previous Page IconTo Previous Page
To Previous Page IconTo Previous Page
Loading...

Related product manuals