EasyManua.ls Logo

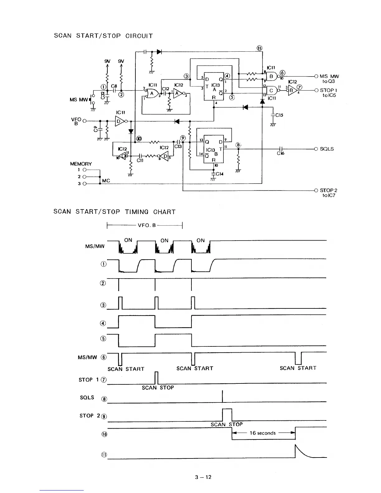
Icom IC-551D - Scan Start;Stop Circuit; Scan Start;Stop Timing Chart

Icom IC-551D
90 pages
Print Icon
To Next Page IconTo Next Page
To Next Page IconTo Next Page
To Previous Page IconTo Previous Page
To Previous Page IconTo Previous Page
Loading...

Table of Contents

Other manuals for Icom IC-551D

Related product manuals