EasyManua.ls Logo

Icom IC-7200 - Page 127

Icom IC-7200
135 pages
Print Icon
To Next Page IconTo Next Page
To Next Page IconTo Next Page
To Previous Page IconTo Previous Page
To Previous Page IconTo Previous Page
Loading...
10 - 5
*; Refer to “PARTS LIST.
0.1
C1094
0.1
C1053
100K
R1035
L1021
100U
R3IF
1
C1033
5V
DSPI
1
1K
R1060
TS462CPT
IC1051
2
3
1
TX
1K
R1093
AFMS
TC7W53FU
I
C1081
1
COM
2
INH
3
VEE
4
GND
5
A
6
CH1
7
CH0
8
VCC
10K
R1053
0.047
C1091
470P
C1034
DSPI
2
TC7W53FU
IC1021
1
COM
2
INH
3
VEE
4
GND
5
A
6
CH1
7
CH0
8
VCC
TS462CPT
IC1051
6
5
7
TS462CPT
I
C1031
6
5
7
4.7K
R1033
DSPO2
0
R1034
470
R1094
4.7
R1095
LA4425A
IC1091
1
2
3
4
5
AGC
AGCV
100K
R1058
0
R1056
0.1
C1097
10K
R1052
0.1
C1082
14V
3R3V
0.1
C1022
LR-270
L1091
0
R1091
TS462CPT
IC1031
2
3
1
3.3
R1096
0.1
C1054
100
R1061
TS462CPT
IC1051
V+
8
GND
4
TS462CPT
IC1031
V+
8
GND
4
0.1
C1035
100
R1036
100
R1023
470 EEE-FK
C1096
470 EEE-FK
C1095
470 EEE-FK
C1098
AMOD
MICE
SPE
SPS
ESPO
PHOE
MIC
PHO
TC7W53F U
I
C1082
1
COM
2
INH
3
VEE
4
GND
5
A
6
CH1
7
CH0
8
VCC
1K
R1090
0.1
C1086
0.1
C1085
47K
R1083
1K
R1080
47K
R1089
100
R1087
TC7W53FU
IC1032
1
COM
2
INH
3
VEE
4
GND
5
A
6
CH1
7
CH0
8
VCC
47K
R1039
47K
R1040
100
R1038
100U
L1031
0.1
C1037
UMOD
UMDS
100U
L1082
100
R1086
100U
L1081
10
C1088
10
C1087
10
C1081
100K
R1037
0
R3018
10
C1036
10
C1041
D5V
10
C1031
10
C1032
47K
R1044
22K
R1054
33K
R1059
47K
R1064
47K
R1063
0.001
C22
100
R1055
0.01
C1093
1.5K
R1041
10K
R1042
1
C1039
2.
2
C1038
22K
R1057
10K
R1079
10K
R1078
10K
R1077
10
C1072
10
C1071
10K
R1092
1
C1092
10K
R1072
10K
R1073
0.047
C1089
10K
R1074
100P
C1055
10K
R1032
10
C1021
10
C1040
47
R1081
47
R1088
MA2S728
D1082
MA2S728
D1084
1M
R1084
4.7K
R1070
4.7K
R1071
4.7K
R1075
4.7K
R1076
0.001
C1083
4.7K
R1021
4.7K
R1022
1
C1023
1
C1024
47K
R1024
47K
R1025
47K
R1026
10
C1025
0.0022
C1051
33K
R1043
5.6K
R1045
10
C1043
680
R1031
MIC
ESPO
AMOD
PHOE
ESPO
MICE
MIC
SPS
SPE
AMOD
PHO
SPS
3R3V
PHO
SPE
PHOE
M
ICE
MAIN-2
MAIN-4
MAIN-4
MAIN-4
MAIN-4
MAIN-4
MAIN-2
MAIN-4
MAIN-1
MAIN-7
MAIN-1
MAIN-4
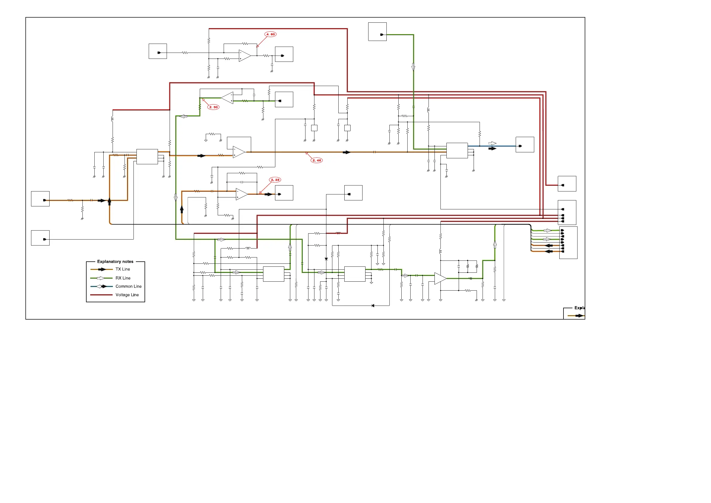
• MAIN UNIT (MAIN-3)

Other manuals for Icom IC-7200

Related product manuals