EasyManua.ls Logo

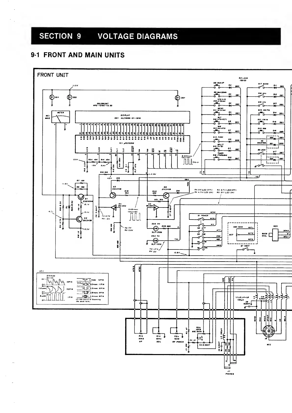
Icom IC-725 - Voltage Distribution Diagrams

Icom IC-725
67 pages
Print Icon
To Next Page IconTo Next Page
To Next Page IconTo Next Page
To Previous Page IconTo Previous Page
To Previous Page IconTo Previous Page
Loading...

Other manuals for Icom IC-725

Related product manuals