EasyManua.ls Logo

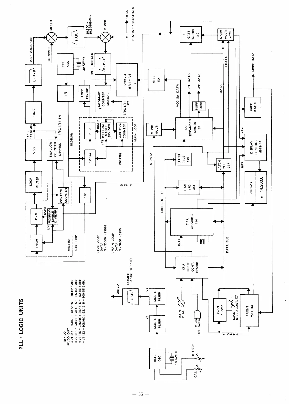
Icom IC-745 - BLOCK DIAGRAM; MAXIMUM RATINGS

Icom IC-745
38 pages
To Next Page IconTo Next Page
To Next Page IconTo Next Page
To Previous Page IconTo Previous Page
To Previous Page IconTo Previous Page
Loading...

Table of Contents

Other manuals for Icom IC-745

Related product manuals