EasyManua.ls Logo

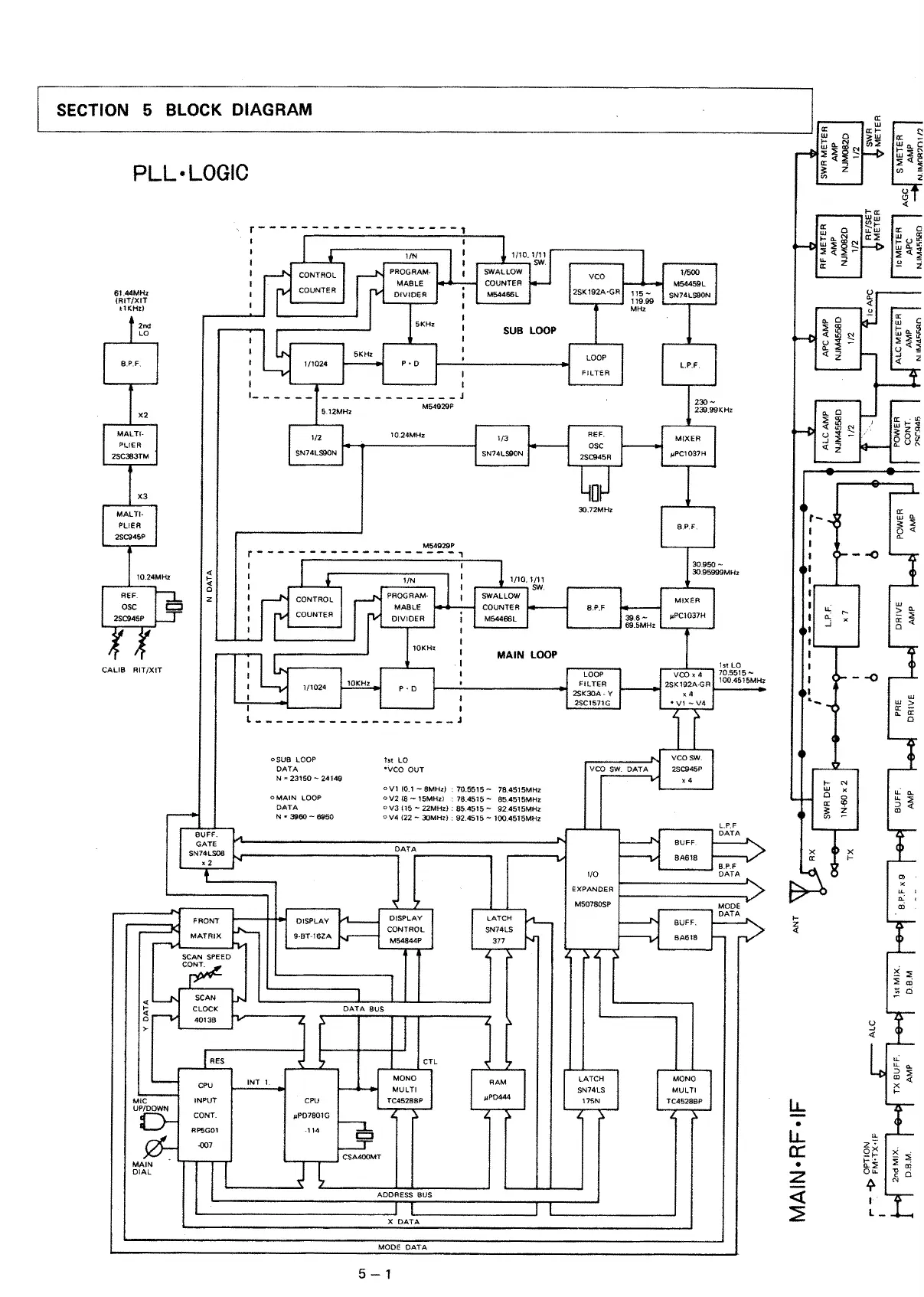
Icom IC-745 - M54844 P BLOCK DIAGRAM; OPERATION TIMING; M50780 SP (INPUT;OUTPUT EXPANDER)

Icom IC-745
126 pages
Print Icon
To Next Page IconTo Next Page
To Next Page IconTo Next Page
To Previous Page IconTo Previous Page
To Previous Page IconTo Previous Page
Loading...

Other manuals for Icom IC-745

Related product manuals