EasyManua.ls Logo

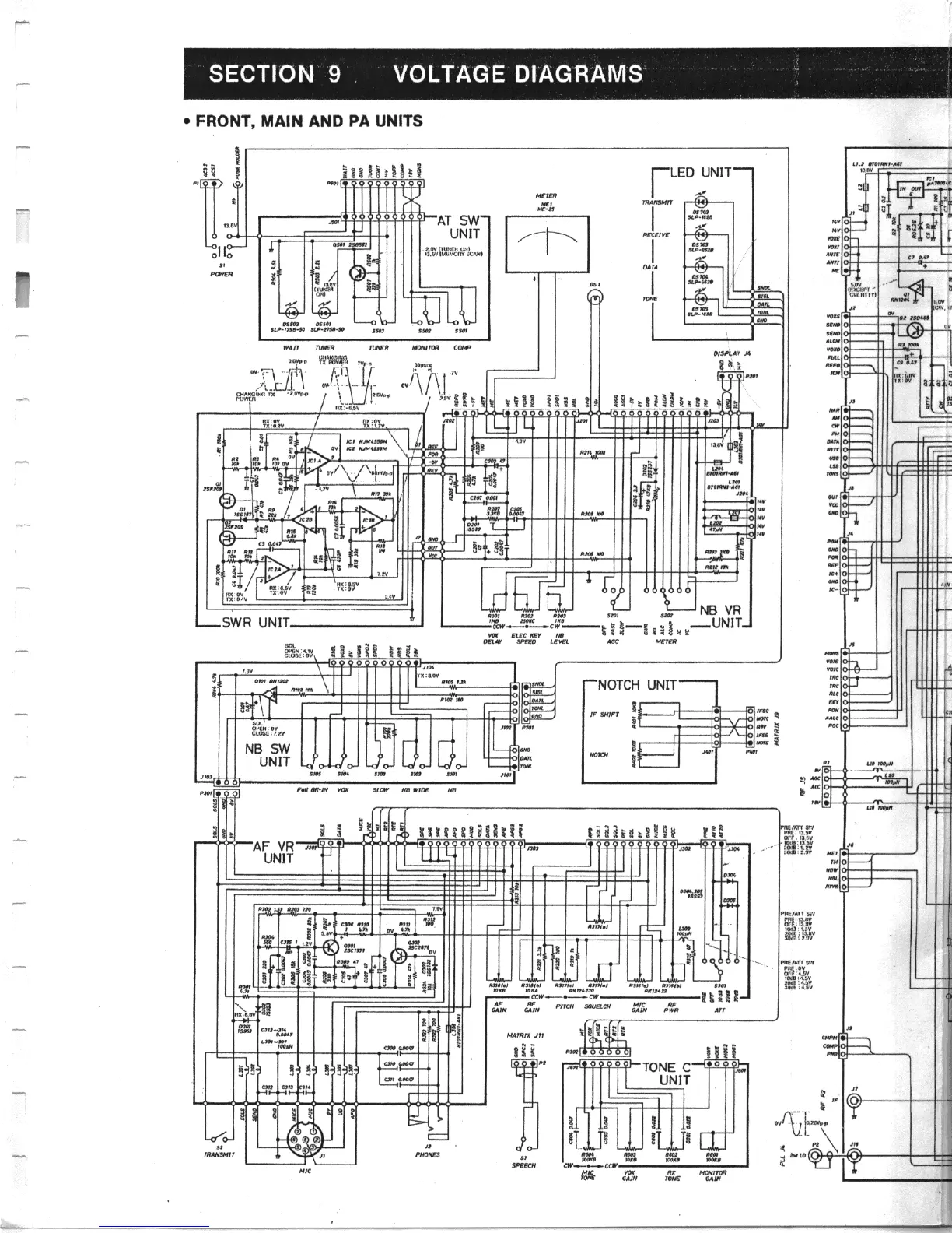
Icom IC-765 - Voltage Diagrams; Front, Main and PA Units

Icom IC-765
127 pages
Print Icon
To Next Page IconTo Next Page
To Next Page IconTo Next Page
To Previous Page IconTo Previous Page
To Previous Page IconTo Previous Page
Loading...

Table of Contents

Other manuals for Icom IC-765

Related product manuals